radiomuseum.org
Please click your language flag. Bitte Sprachflagge klicken.

PHP45N03

Information - Help 
ID = 61003
       
Country:
Netherlands
Brand: Philips; Eindhoven (tubes international!); Miniwatt
Tube type:  Transistor   Power-supply 
Identical to PHP45N03

Base Wires
Description

Material/Aufbau/Pol.: Silizium N-Kanal Power Logic Level Trench MOS° FET Enhancement Mode;
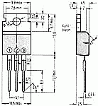
Form/Case/Outline: TO-220 (PHP45N03LT) Anschlussfolge GDS;
Daten/electr.data: Vdss: 30 V; Vgs: +/- 15 V; Vgs(to): 1...2 V; Idss: 50 nA; Igss: 10 nA; Id: 45 A; Idm: 180 A; Pd: 86 W; Rds(on): <0.024 Ω; td(on): 30 ns; tmax j: 175 °C.
High speed power switching, switching regulators, Converters, solenoid and relay drivers.
Ähnlich/similar: H45N03E (HiSincerity)
-

 
Dimensions (WHD)
incl. pins / tip
10 x 16 x 4 mm / 0.39 x 0.63 x 0.16 inch
Weight 2 g / 0.07 oz
Information source - - Manufacturers Literature   

php45n03_umgeb1.png
PHP45N03: Philips
Günther Stabe † 19.8.20

to_220_ttt~~161.gif PHP45N03: TTT Steidle 1981
Günther Stabe † 19.8.20

php45n03lt_innen.png
PHP45N03: Philips
Günther Stabe † 19.8.20

Collection of

 
php45n03.jpg

PHP45N03
 

You reach this tube or valve page from a search after clicking the "tubes" tab or by clicking a tube on a radio model page. You will find thousands of tubes or valves with interesting links. You even can look up radio models with a certain tube line up. [rmxtube-en]
  

Data Compliance More Information