Belegung der DIN-Buchsen von alten Blaupunkt Autoradios

ID: 160121
Belegung der DIN-Buchsen von alten Blaupunkt Autoradios 
07.Mar.08 10:26
0

Alexander Schmitz (D)
Beiträge: 328
Anzahl Danke: 42
Alexander Schmitz

Hallo,
 

Hat jemand die Belegung der DIN-Buchsen von alten Blaupunkt Autoradios? Diese Buchsen dienten zum Anschluss eines Kassettenlaufwerkes. Waren diese bei allen Blaupunktradios gleich? Das ziel ist so etwas selbst zu bauen.

http://www.koenigs-klassik-radios.de/_plentyMarkets/Adapterkabel-Mono-fuer-MP3/a-32100-28-0-0-0-0/

Für diesen Post bedanken, weil hilfreich und/oder fachlich fundiert.

 2
 
07.Mar.08 10:51

Wolfgang Siegmund (D)
Beiträge: 48
Anzahl Danke: 33
Wolfgang Siegmund

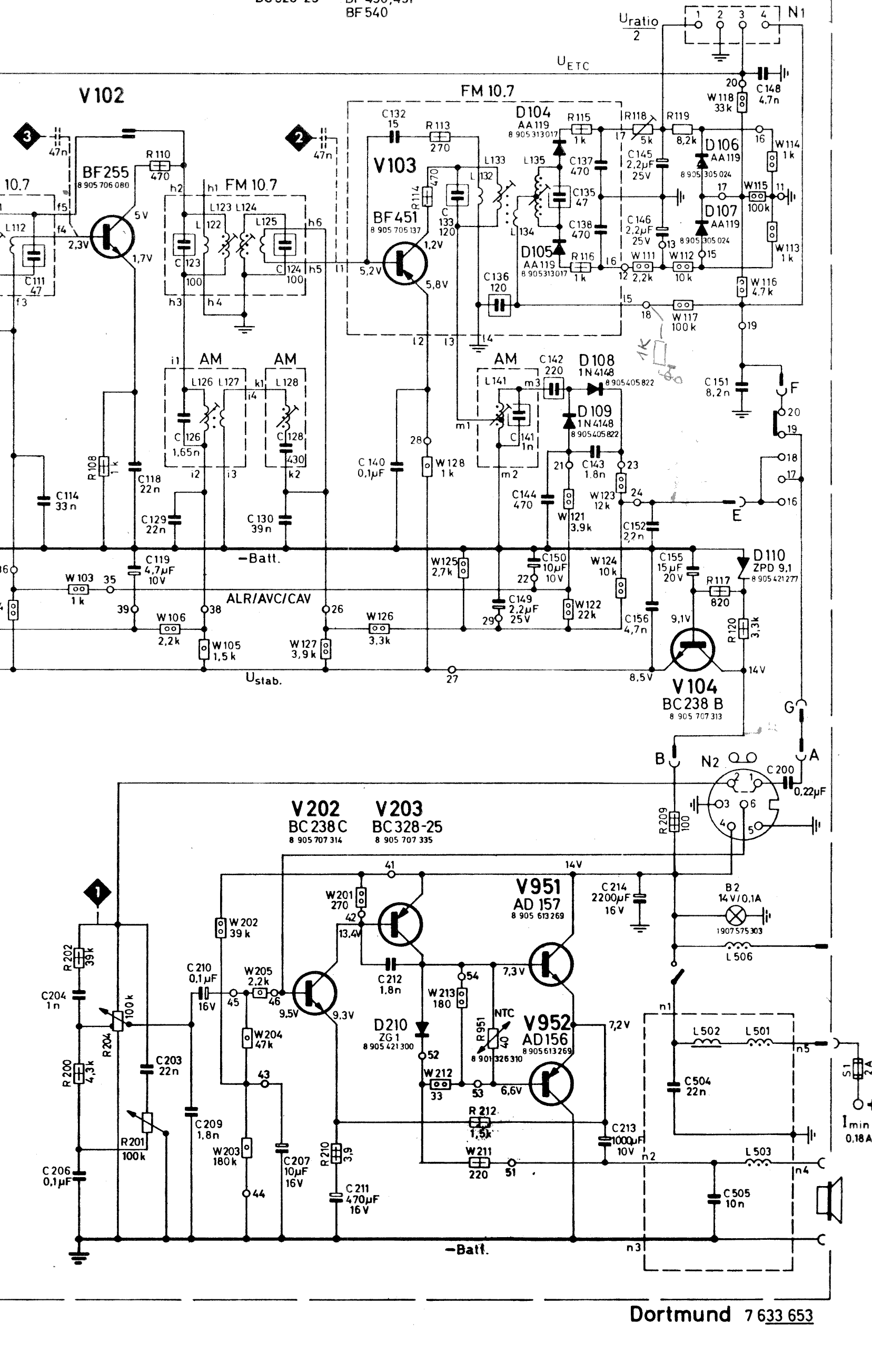
Hallo Herr Schmitz, vielleicht hilft der angehängte Schaltplanausschnitt weiter. Beste Grüße, Wolfgang Siegmund Anlagen:

Für diesen Post bedanken, weil hilfreich und/oder fachlich fundiert.

 3
 
07.Mar.08 11:13

Alexander Schmitz (D)
Beiträge: 328
Anzahl Danke: 63
Alexander Schmitz

Hallo,
 
Sofern alle Blaupunktgeräte der gleiche Belegung haben würde der Planausschnitt mir auf jeden Fall helfen. Welche Aufgabe hat eigentlich Stift 6 im Schaltplanausschnitt?

Für diesen Post bedanken, weil hilfreich und/oder fachlich fundiert.

 4
 
07.Mar.08 11:48

Wolfgang Siegmund (D)
Beiträge: 48
Anzahl Danke: 27
Wolfgang Siegmund

Hallo Herr Schmitz, diese Buchse diente nicht nur zum Anschluss von Bandgeräten, sondern dort wurden auch Verkehrsfunkdekoder angeschlossen. Bei Verkehrsdurchsagen wurde an Stift 6 die NF eingespeist. Damit waren Durchsagen auch bei zugedrehter Lautstärke hörbar. Die Stifte 3 und 5 sollten übrigens von der Gehäusemasse getrennt bleiben wg. Störungen. Beste Grüße Wolfgang Siegmund

Für diesen Post bedanken, weil hilfreich und/oder fachlich fundiert.

 5
 
07.Mar.08 11:54

Alexander Schmitz (D)
Beiträge: 328
Anzahl Danke: 192
Alexander Schmitz

Vielen Dank,

Sofern das bei meinen Geräten auch so ist, hilft mir das weiter.

Für diesen Post bedanken, weil hilfreich und/oder fachlich fundiert.

 6
 
07.Mar.08 14:55

Alexander Küffer (CH)
Beiträge: 57
Anzahl Danke: 22
Alexander Küffer

Hallo Herr Schmitz, ich habe eine 29 seitige Dokumentation über die Steckerbelegungen von Audio, PC, Telematik und Funk nach Din. Wenn Sie interessen haben, kann ich es Ihnen zuschicken. Vielleicht ist etwas dabei wo passt.

Gruss A.Küffer

 

Für diesen Post bedanken, weil hilfreich und/oder fachlich fundiert.

 7
 
07.Mar.08 22:01

Hans-Ulrich Rossius (D)
Beiträge: 15
Anzahl Danke: 19
Hans-Ulrich Rossius

Hallo Herr Schmitz

Ich habe in einigen Alten Autoradio Schaltungen nachgesehen. Die 6polige Buchse diente hauptsächlich zum Auftrennen des internen NF Zweiges zur Endstufe und dem Einspeisen einer externen NF-Quelle in mono. Später zu Stereozeiten kam dann eine 8 polige Buchse für die gleiche Funktion. Vorsicht ist bei dem Mittelpin 6 geboten. Der hat je nach Gerät unterschiedliche Funktionen. Mal lag Dauerplus drauf, mal diente er zum muten bei Verkehrsdurchsage, oder wie unten beschrieben zum Enspeisen von Durchsagen bei zugedrehtem Lautstärkeregler.

Grundsätzlich dienten die Pinne 1 und 2 zum Auftrennen des internen NF Weges. Einspeisen der externen NF in 2 mit der Masse an Pin 3. Die Masse an Pin 5 gehört zu der Spannungsversorgung für externe Verbraucher in zusammenhang mit geschaltet +12Volt an Pin 4.

Ich huffe, das hilft erst mal weiter sonst einfach nachfragenfragen.

Schöne Grüße

H.U. Rossius

Für diesen Post bedanken, weil hilfreich und/oder fachlich fundiert.

 8
 
08.Mar.08 12:40

Alexander Schmitz (D)
Beiträge: 328
Anzahl Danke: 34
Alexander Schmitz