braun: T1000 'Afrikanischen Version'?
braun: T1000 'Afrikanischen Version'?

radiomuseum.org/forum/braun_t1000_t_1000_weltempfaenger4.html
In Ihrer Post schreiben Sie: "Den Braun Service-Unterlagen ist zu entnehmen, dass es eine Variante T1000A (ab Geräte-Nr. 13001) für Südafrika mit anderer Skala (UKW bis 108 MHz) und dem FM-Tuner TS45-860 gab..." ..."Die interne Typenbezeichnung (z.B. als Präfix für Ersatzteile) war T1010."...
Herr Stabe, können Sie diese Serviceunterlagen hochladen? Ich wäre Ihnen sehr dankbar weil bei einer laufenden Auktion in eB*y auch was von einer "Afrikanischen Version" geschrieben wird.
Schönen Gruß
Trevor Levick
Für diesen Post bedanken, weil hilfreich und/oder fachlich fundiert.
Braun T1000 / T1000CD - Zubehör PV1000 - PK1000 - TN1000

Zum Klärungsansatz des aktuellen Falles muss ich ein paar grundsätzliche Dinge voranstellen:
1. produzierte Versionen 1963 - 1971
2. Zubehör (TN1000, PV1000, PK1000)
3. Umbausatz (Funkfeuer etc., FTZ IV C 165/64)
Mir liegt einiges - aber längst nicht alles - an Braun-Material vor; überwiegend sind es Kopien, daher bitte ich bereits jetzt um Nachsicht bei der Qualität der angefügten Grafiken bzw. Ausschnitte.
Im RMorg sind derzeit 4 Modelle dieser Typen vorhanden (ID: 1400, 1404, 1408, 117010).
Unter ID=1400 befindet sich u.a. ein Bild einer T1000-Vorstudie (D.Rams), unter ID=1408 ein Bild (zurzeit an 12. Position) eines Modells mit weisser Skala und Alu-Knopf AM mit schwarzem Punkt (normalerweise schwarze Skala und Alu-Knopf AM mit weissem Punkt).
Generell unterscheiden sich die verschiedenen Modelle nur äußerlich (2 Haupttypen) durch den Griff und glatte (alt) bzw. geriffelte (neu) Drehknöpfe; alles haben 19 Transistoren (auch wenn etwas anderes behauptet wurde). Zwei zusätzliche Transistoren befinden sich im optionalen Einbaunetzteil TN1000; von diesem wurden aber weniger Stück produziert als von den beiden Empfängern.
Es liegen mir 4 Schaltpläne vor:
o T1000 - 287 VI.64
o T1000 - 297 - ab Gerät Nr. 13001
o T1000 - 297 I.65
o T1000CD ab Gerät Nr. 10001
Darüber hinaus die Braun Station T1000 Serviceunterlagen, ab Gerätenummer 13001: T1010 (Südafrika).
Lt. Braun Taxliste wurden vom Typ T1000 (mit Metallbügel) ab 1963 Stck. 10.800 mit schwarzer Skala und Stck. 500 mit weisser Skala produziert; vom Typ T1000CD (mit Ledergriff) ab 1968 13.981 Exemplare.
Daraus geht nicht eindeutig hervor, wie die Gerätenummern zugeordnet werden können (mein T1000CD hat die Nummer 13968, ein gleiches Modell mit der Nr. 16922 habe ich verkauft).
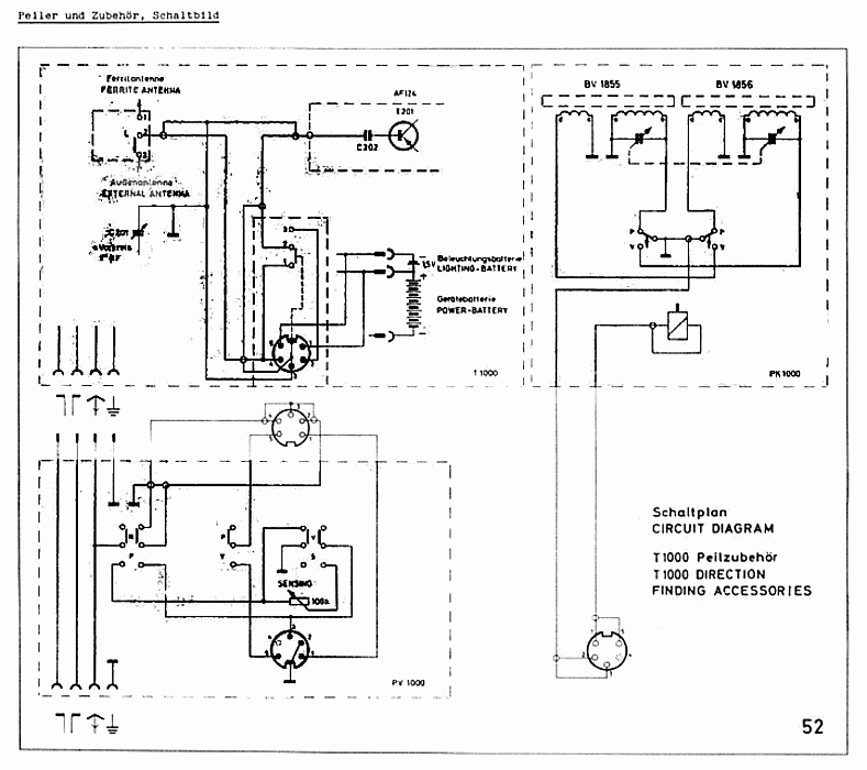
Für den einseitigen Funkverkehr auf nicht ausrüstungspflichtigen Schiffen (Jachten, Boote, Schiffe bis zu 16t) hat der T1000 (CD) die Zulassung der Deutschen Bundespost und kann mit dem Zubehör PV1000 (Peilvorsatz, Peiladapter) und PK1000 (Peilkreuz, auf einen Kompass zu klemmen) als Navigationshilfe eingesetzt werden (Schaltpläne sind als Anlage beigefügt).
Die Nachrüstanweisung hierzu (FTZ_1...FTZ_4) füge ich bei. Eine rückseitig einzubauende 5-polige DIN-Buchse (270 °) für den Stecker zum Peilvorsatz (u.a. Spannungsversorgung für ein Miniaturrelais im Peilkreuz) weist diese nachgerüsteten Modelle aus; die Typennummer erhält einen Suffix zur Kenntlichmachung: SF[a][P].
Eine Anmerkung zur Änderung einiger Bauteile im T1000CD (gegenüber T1000) ab Nummer 17001 ist ebenfalls beigefügt. Diese Korrektur ist bereits in meinem Schema Nr. 4 (s.o.) enthalten...
Die Seite mit der Südafrika-Ausführung (in 2 Teilen wegen der max. Größe) folgt als Anlage T1010 Teil 1 + 2.
Demnach hatte die erste Version des T1000 nicht den UKW-Bereich 88-108 MHz (??). Ich kann das aber jetzt nicht überprüfen; die Fotos im RMorg geben den Rotdruck der Skala nicht klar her.
G.S.
EDIT 08.09.2010: aktuelles Foto von PV1000 / PK1000 (ebay-Verk.: braun-gebrannt, Nr. 280554901943) und erzielter Preis für PV1000: Euro 252,-
Anlagen:- TN1000_Netzteil (18 KB)
- PV1000_Peilvorsatz (23 KB)
- PK1000_Peilkreuz (6 KB)
- FTZ_Seite1 (37 KB)
- FTZ_Seite2 (48 KB)
- FTZ_Seite3 (49 KB)
- FTZ_Seite4 (39 KB)
- Peilung_Schema (45 KB)
- Modifikation (41 KB)
- T1010_Teil1 (23 KB)
- T1010_Teil2 (27 KB)
- PV1000_PK1000 (17 KB)
Für diesen Post bedanken, weil hilfreich und/oder fachlich fundiert.
Braun T1000 / T1000CD - Zubehör PV1000 - PK1000 - TN1000

danke für das viele Material!
Da war einiges Neue für mich drin!
Gruss
Trevor Levick
Für diesen Post bedanken, weil hilfreich und/oder fachlich fundiert.