Gibt es den Hersteller Beloiannisz (Orion)?
Gibt es den Hersteller Beloiannisz (Orion)?
Im RM.org ist dieser Hersteller Beloiannisz (BHG); Ungarn angelegt.
Die 3 Geräte, die sich bei diesem Hersteller befinden, sind ident mit den gleichnamigen Orion Geräten.
==> A117
==> 228A
==> 228B
Ich nehme an, dass es sich bei dem Namen "Beloiannisz" um eine Typenbezeichnung handelt, die allerdings nicht am Gerät sondern nur auf einem Prospekt vorkommt.
Weiß jemand mehr darüber?
Außerdem ist beim Orion 228A ein Bild hochgeladen, das eine andere Gehäuseform zeigt..
MfG. WB.
Anlagen:
- Orion 228A (41 KB)
- Orion 228A Rückwand (27 KB)
Für diesen Post bedanken, weil hilfreich und/oder fachlich fundiert.
Ich habe in der Zwischenzeit etwas weiter recherchiert.
Es gibt 2 Modelle Orion 228A.
Einmal mit dem abgerundeten Gehäuse und einmal mit dem eckigen Gehäuse.
Was bedeutet der Zusatz "Beloiannisz" beim eckigen Gerät, der aber nicht am Gerät vorkommt, sondern nur auf dem Prospekt?
Außerdem hat der Orion 228A MW + LW, der Orion 228A "Beloiannisz" MW + KW.
MfG. WB.
Orion 228A Orion 228A "Beloiannisz"
Für diesen Post bedanken, weil hilfreich und/oder fachlich fundiert.
Beloiannisz
Für diesen Post bedanken, weil hilfreich und/oder fachlich fundiert.
BHG
Bei SpringerLink
[ http://www.springerlink.com/content/u12030878214r86n/ ]
gibt es einen Artikel den man für 32 EUR kaufen kann:
Titel: Enterprise development in different economic systems
Zeitschrift: Economics of Planning
Verlag: Springer Netherlands
ISSN 0013-0451 (Print) 1573-0808 (Online)
Heft: Volume 15, Numbers 2-3 / Januar 1979
DOI 10.1007/BF00583666
Seiten: 73-98
Google hatte daraus extrahiert:
"..."BHG" is an abbreviation of "Beloiannisz Hirad&stechnikai Gyr" (Beloiannis ..... The export activity of the BGH is much more concentrated than is ..."
Die ungarische Schreibweise für "Gyr" ist "gyár", und das heisst "Fabrik", "technikai" heisst "technisch", und "hirad" hat im weitesten Sinne mit "drahtlos" zu tun, das lässt sich wegen des & anstelle des ungarischen Buchstabens nicht als Ganzes übersetzen.
Hoffe das hilft - bin in Eile - muss noch die Editoranleitung umschreiben (fantastische Idee mit den Modellbildern im Forum, das spart das Hochladen zum Modell und macht viel mehr her) und den Sandor Selyem-Tóth fragen ob ich richtig übersetzt habe.
Gruss
GR
Für diesen Post bedanken, weil hilfreich und/oder fachlich fundiert.
Dear Collegues,
the right name is Beloiannisz Hiradastechnikai Gyar, it means Beloiannis Telecommunication Factory. Company is a successor of nationalized Standard company. The company focused to the telecommunication technic and technology, only during 1955-56 they produced a few commercial radio models. It is a reason, that the mentioned models are very similar to Orion models. Later they produced high frequency products, phone switch boards based on Ericson licence, UHF communication equipment etc.
Gabriel
Für diesen Post bedanken, weil hilfreich und/oder fachlich fundiert.
Danke für die Informationen.
Ich bitte Herrn Toth, die zusätzlichen Informationen zum Hersteller Beloiannisz (BHG); Budapest zu schreiben.
Bei dem Modell Orion 228A werde ich den Zusatz LW + MW als Unterscheidung eintragen.
Den Orion 228A mit MW + KW werde ich neu anlegen, da es das Gerät von Orion im RM.org noch nicht gibt (Nur der Beloiannisz 228A mit LW + MW ist angelegt.).
MfG. WB.
Für diesen Post bedanken, weil hilfreich und/oder fachlich fundiert.
Orion Modelle
Hallo Wolfgang.
Auch wenn es Dich etwas durcheinander bringt, anbei meine Ergebnisse zu den Modellen.
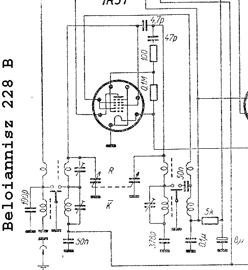
Die Angaben zu den Wellenbereichen, habe ich dem Schaltplan in der Form entnommen,
dass der LW-Bereich eine "Verkuerzer" also einen Serienkondensator im Oszillator haben muesste, und nur der MW_Teil unterhalb einer KW zu finden ist. siehe Anlage
Eine LW aber immer unterhalb der MW liegt.
Gruesse von Hans M. Knoll
Anlagen:- Ungarische Radios (68 KB)
- Orion Oszillatorteil (15 KB)
- Belo_228B_osz (19 KB)
Für diesen Post bedanken, weil hilfreich und/oder fachlich fundiert.
Dear Collgues,
see additional information on http://www.radiomuseum.org/dsp_hersteller_detail.cfm?company_id=7222
Gabriel
Für diesen Post bedanken, weil hilfreich und/oder fachlich fundiert.
Danke an die Herren Knoll und Toth für die ergänzenden Beiträge.
MfG. WB.
Für diesen Post bedanken, weil hilfreich und/oder fachlich fundiert.