Magische Augen
? Magische Augen
 
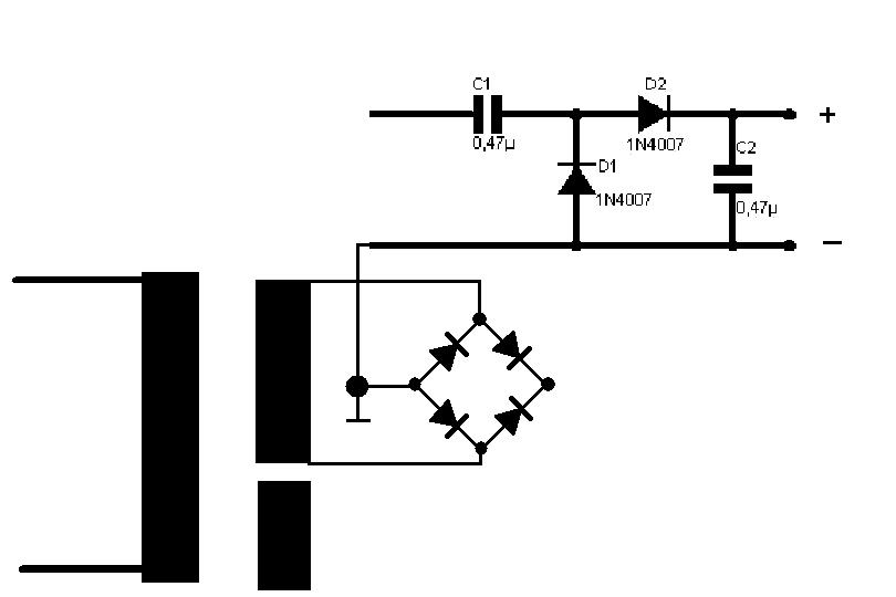
         Wie man magische Augen, Bänder, Fächer wieder aktivieren kann mittels
einer Kaskade bei Röhrengleichrichtung ist mir bekannt und funktioniert.
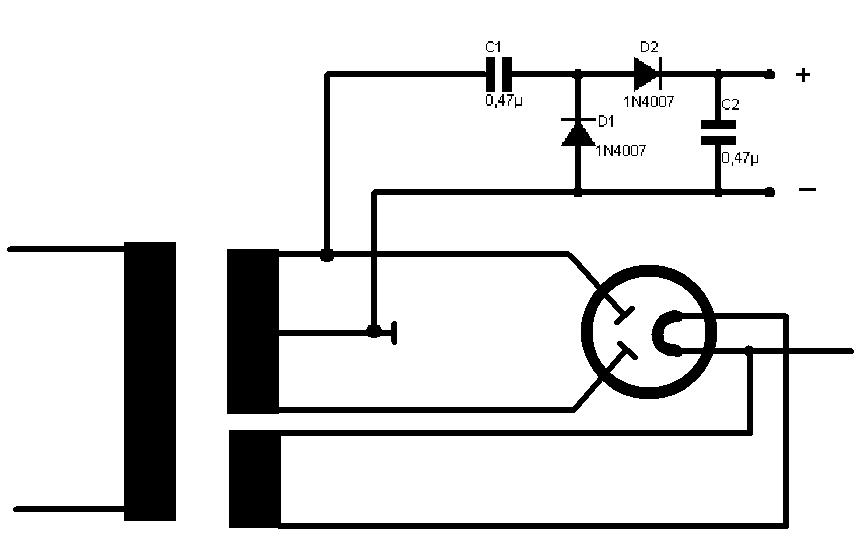
Aber wie sieht die Kaskade bei einer Brückenschaltung aus ?
Mit freunlichen Grüßen
Friedhelm Schaik
Für diesen Post bedanken, weil hilfreich und/oder fachlich fundiert.
Anschluss der Kaskade
 
         Hallo Herr Schaik,
die Antwort zu Ihrer Frage finden Sie hier auf meiner homepage.
Gruß, Paul Heußner
Für diesen Post bedanken, weil hilfreich und/oder fachlich fundiert.
Magische Augen
 
         Hallo guten Morgen Herr Heußner.
Danke für die schnelle Antwort.
Schauen Sie Sich doch einmal auf meiner Homepage
folgende Seite an: Sterkrader-Radio-Museum..de
Dies und Das - Magische Augen.
Mein Problem ist, das ich die Kaskade nur bei Geräte wo eine Seite der
Anodenwicklung auf Masse liegt anwenden kann.
Aber wie funktioniert das bei einer Brückenschaltung?
Gruß
Friedhelm Schaik
Habe Ihre Beschreibung ganz unten gefunden und werde sie ausprobieren.
Nochmals besten Dank
Friedhelm Schaik
Anlagen:
- Kask.m.Ro (24 KB)
- Kask.m.Br. (17 KB)
Für diesen Post bedanken, weil hilfreich und/oder fachlich fundiert.