philips: PM3230; HF-Zweistrahl-Oszillograf; Versionen, Reparatur
philips: PM3230; HF-Zweistrahl-Oszillograf; Versionen, Reparatur
Aus einer Werkstattauflösung bekam ich einen defekten PM3230 mit Manual. Angeblich seien zwei Transistoren AF118 im Kanal A des Y-Verstärkers defekt. Zwei Ersatztypen (nicht kompatibel ?) lagen auch dabei. Auf deren Einbau habe ich aber verzichtet, da es keine AF118 waren. Messungen ergaben, dass es unwahrscheinlich war, dass die Transistoren defekt sein sollten, denn im Kanal A und B herrschten die gleichen elektrischen Verhältnisse. Es musste also ein Fehler sein, der beide Kanäle gleichzeitig betraf. Leider wurde die Fehlersuche abrupt beendet. Beim Messen der Betriebsspannungen an den Anschlüssen der Netzteilplatine rutschte ich mit der Prüfspitze ab. Da die Lötfahnen von Anodenspannung und Transistorbetriebsspannung direkt im geringen Abstand nebeneinander liegen, war es vermutlich der Tod aller Transistoren. (Seitdem messe ich die -15 V immer direkt an der Feinsicherung auf der Platine).
Das Gerät landete dann erst einmal auf Halde als Ersatzteilträger. Es war zum Verschrotten eigentlich zu schade, da es kein Zweikanal-Gerät sondern ein echter Zweistrahler ist. Außerdem hatte ich mich schon zu intensiv mit dem Gerät beschäftigt um loslassen zu können. Durch Zufall fand ich dann so ein Gerät bei Ebay, bei dem die Bildschirmblende und einige Knöpfe fehlten und der Netzschalter defekt war. Ansonsten sollte es funktionieren. Für wenig Geld erstand ich das Gerät um aus zweien eins zu machen.
Nach dem Auspacken dann die Überraschung: da fehlt ja die ECC88 im Eingang. Ein Blick auf das Typenschild brachte die Erklärung . Das alte Gerät hat die Versions-Nr. 06, das neue die Versions-Nr. 12. Die Frontplatte gibt bei beiden Geräten nur den Typ PM3230 ohne Zusatz an. Nun ging die Suche nach den passenden Unterlagen los. Im Netz findet man an mehreren Stellen die immer wieder kopierte holländische Version 09. Auf der Homepage unseres Mitglieds Franz-Joseph Haffner fand ich dann eine deutsche Version 09. (vielen Dank Herr Haffner!) Nach grobem Vergleich der Schaltpläne mit meiner Geräteversion 12 kam ich zu der Überzeugung, dass die Pläne bedingt passen könnten. Zumindest beim Abgleich kann man damit arbeiten. Das Platinenlayout ändert sich aber, wegen anderer Bauteileausführungen, von Version zu Version mal mehr und mal weniger.
Mittlerweile habe ich (wegen der Bildröhre, dazu später mehr) noch 2 Geräteleichen erworben, die tragen die Versionsnummern 07 und 13. Da ich nun die Versionen 06, 07, 12 und 13 und die Manuals von Version 06 und 09 besitze, kann ich in etwa die Weiterentwicklung des Gerätes erkennen.

Bild 1
In 06 sind noch alle Transistoren eingelötet. In 07 ist schon ein Teil gesteckt und in 12 und 13 sitzen alle Transistoren in Fassungen. Die Version 07 hat noch eine ECC88 im Y-Eingang, die Version 09 dann FET's Die Transistortypen änderten sich auch. Waren es zuerst vorwiegend die "dicken" vierbeinigen AF118 so sind es jetzt modernere kleine Bauformen mit irgendwelchen schwer zu entziffernden Philips-Nummern.
.jpg)

Bild 2
.jpg)

Bild 3 (Foto allerdings von Version 13)
Änderungen sind auch im Netzteil gemacht worden. Die auffälligste ist, dass ab Version 07 der Selen-Flachgleichrichter für die Anodenspannung zunächst durch Si-Dioden und dann durch eine Si-Brücke ersetzt wurde. In Version 13 sind dann alle mit Dioden ausgeführte Brückenschaltungen durch Si-Brücken ersetzt worden (Bilder 4 und 5).

Bild 4 (Version 06) Bild 5 ( die gleiche Stelle in Version 13 )
In Version 06 werden die Bildröhrenspannungen noch je Kanal mit 2 x GL8 in Reihe getrennt stabilisiert (Bild 6). Ab Version 07 wird die Spannung für beide Kanäle gemeinsam mit einem ZZ1000 stabilisiert (Bild 7). Die Potis für Focus und Intensität haben dann je 2 MOhm statt zuvor 1 MOhm. Das wird wichtig zu wissen, wenn man die Potis aus einem älteren Gerät in einem neueren verwenden möchte.

Bild 6

Bild 7
Äußerlich kann man die Versionen nur am Typenschild erkennen, da die Frontplatten (fast) identisch sind. Version 06 hat für die Balance-Einstellung noch kleine Köpfe, Version 09 und ff. haben nur noch Schlitze für Schraubendrehereinstellung. Mindestens bis Version 09 sind die Eingänge für den X-Kanal und externes Triggersignal mit 4mm-Buchsen ausgerüstet. Spätesten ab Version 12 sind es dann (wie immer schon die Y-Eingänge) BNC-Buchsen. Zuerst (bis mindesten Version 09) wurden die Knöpfe für X- und Y-Verschiebung noch mit X-Shift und Y-Shift später mit X- bzw Y-Position beschriftet.
Das Nachfolgegerät ist dann der PM3231. Es sieht äußerlich gleich aus hat aber außer der Bildröhre keine weiteren Röhren mehr.
An sich ist das Gerät solide aufgebaut und gehörte wohl Ende der 60'er Jahre mit einem Preis von DM 2120,- zu den Geräten der gehobenen Mittelklasse. Es hat jedoch auch Nachteile, die sich vor allem zeigen, wenn nach so langer Zeit Reparaturen notwendig werden. Das ist natürlich relativ zu sehen, da die Lebens- bzw Nutzungsdauer schon lange überschritten ist.
Da sind die nicht von der Lötseite zugänglichen Platinen zu erwähnen. Durch die später eingesetzten Transistorfassungen ist das schon besser geworden, aber eventuell auszuwechselnde Hochlastwiderstände, Si-Brücken oder gar Röhrenfassungen sind ein Problem.
Die Platinen sind mit PVC-Stützen gehalten, die einerseits im Blech und andererseits mit einer Nase in der Platine einrasten. Da dem PVC mittlerweile durch Alterung der Weichmacher fehlt, brechen die Rastnasen beim Versuch, eine Platine zu lösen, fast immer ab (Bild 8). Bei meinen Geräten war oft auch die Rasterung auf der Blechseite gebrochen. Ob das frühere Reparaturversuche waren ist nicht mehr zu klären. Möglicherweise sind die Beschädigungen auch durch den Transport entstanden. Die Platinen hingen oft nur noch an der Verdrahtung. Die Verdrahtung, zum großen Teil mit Kabelbäumen ausgeführt, lässt aber kaum Spielraum zu Anheben der Platinen. So ist es nahezu unmöglich die Stützen in das Blech einzusetzen und in aufrechte Position zu drehen. Ich habe als Notlösung die Halter mit Zweikomponentenkleber im Blech festgesetzt (Bild 9).

Bild 8

Bild 9
Das Problem mit dem Weichmacher gibt es auch bei den Knöpfen. Es sind zwar solide Spannzangenknöpfe aber bei meinen Geräten waren einige abgebrochen. Zum Auswechseln muss man die Verschlusskappe heraushebeln. Dabei können die Ränder der Knöpfe ausbrechen, deshalb ist hier Vorsicht angesagt.
Ein weiteres Problem ist der Ausbau und Wiedereinbau der Bildröhre. Im Manual liest sich das ganz einfach: "Nach Lösen aller Verbindungen die Röhre durch die vordere Öffnung drücken". Die Röhre klebt aber nach so langen Jahren an dem massiven hinteren Gummiring bombenfest. Beim ersten Ausbauversuch habe ich mit einer Einwegspritze zwischen Röhre und Gummi ein Silikonöl gespritzt. Nach einem Tag Einwirkzeit ließ sich dann die Röhre (schwer) herausschieben. Wenn man ohnehin die Röhre aus einem zweiten Gerät entnimmt, sollte man diese komplett mit Abschirmzylinder austauschen, dann umgeht man dieses Problem.
Das größere Problem bei der Bildröhre E10-12GP sind aber die oben und unten liegenden seitlichen Anschlüsse. Man merkt das erst, wenn man die Verbindungen wieder anschließen will. Besonders schwierig zugänglich sind die unteren innen liegenden Anschlüsse (Bild 10). Die Anschlussstecker sind ziemlich starre geschlitzte Messinghülsen. Diese müssen möglichst genau in axiale Richtung auf die Anschlussstifte der Röhre geschoben werden. Man macht das am Besten mit den Fingern, so hat man das beste Gefühl. Da aber die innen liegenden Anschlüsse mit den Fingern nicht zugänglich sind ist man gezwungen, ein Werkzeug zu benutzen (z.B. Flachspitzzange). Mit einer Pinzette bringt man nicht genügend Kraft auf. Und hier liegt das Problem. Da die meisten Anschlussstifte (Bild 11) ohnehin schon nicht mehr genau radial aus der Röhre ragen (aus welchem Grund auch immer, Reparaturspuren ?) ist ganz schnell so ein Stift beim Versuch, den Stecker aufzudrücken, verbogen. Ein Geraderichten führt unweigerlich zum Glasbruch.

Bild 10

Bild 11
Philips hat diese Problem wohl auch erkannt, denn im Manual für den Nachfolger PM3231 steht: "Achtung, beim Berühren der Elektronenstrahlröhre ist damit zu rechnen, dass die Seitenanschlüsse dieser Röhre äußerst verletzbar sind". Mich hat dies 2 Röhren Lehrgeld gekostet. Warum man da keine Stecker mit weicherer Federung genommen hat bleibt wohl immer ein Rätsel.
Durch die detaillierten Angaben im Manual ist es möglich, das Gerät recht gut einzustellen. Man benötigt dazu neben den üblichen hochohmigen Vielfachinstrumenten einen guten Funktionsgenerator und auch ein Instrument um die Hochspannung (4kV) zu überprüfen. Ich habe ein altes Röhrenvoltmeter mit Hochspannungstastkopf benutzt.
Nicht alle Werte sind über Einstellorgane (Trimmpotis oder Trimmer) direkt einstellbar. Oft sind sogenannte "Wahlelemente" zu variieren um in die Einstellbereiche zu kommen. Diese Wahlelemente (Kondensatoren und Widerstände) sitzen auf Lötstützpunkten und sind im Schaltplan durch Schraffur gekennzeichnet.
Wenn man alte Oszillografen (Oszilloskope) einschaltet hat man oft kein Bild oder die Einstellung von Helligkeit, Kontrast und Schärfe funktioniert nicht wie gewünscht. Ursachen sind fast immer Fehler in der Versorgung der Bildröhre. Wenn die Hauptspannungen in der richtigen Größe vorhanden sind muss es aber immer noch nicht funktionieren. Fehler sind hier meist die Kohleschichtwiderstände, die mit hohen Spannungen beaufschlagt sind. Sie haben ihre Werte verändert bis hin zur Unterbrechung. Bei meinem Gerät Version 13 waren es gleich 3 Widerstände und das Doppelpoti für Helligkeit und Kontrast im Kanal A. Auch wenn man hier mit hochohmigen Instrumenten die Spannungen misst, darf man keine genauen Werte erwarten, denn die Kreiswiderstände liegen im MOhm-Bereich genau wie der Innenwiderstand des Messgerätes. Man merkt das sofort als Veränderung des Schirmbildes.
Das Gerät sollte bei den Abgleicharbeiten Betriebstemperatur haben, wichtig ist das vor allem bei der Eichung der Zeitbasis. Hier fällt ein relativ starker Temperatureinfluss auf. Bei den "schnellen" Bereichen lassen sich die Werte durch Reihenschaltung genauer einstellen (Bild 12). Man beachte hier die verdrillten Drähte als Serienkapazität. Hier liegt die Werksangabe bei 1,5 bis 5,6 pF. (Die verdrillten Drähte sind allerdings keine Werksangabe sondern meine Erfindung, da man so besser Abgleichen kann und sich Lötarbeit spart).
Bild 12
Manche Fehler sind für einen Radiomann schwer zu finden. Das gilt besonders für Fehler im gleichspannungsgekoppelten Y-Verstärker. Eine falsche Spannung an einer Stelle verschiebt alle anderen Spannungen in den nachfolgenden Stufen. Ich hatte so einen Fehler im Kanal A. Nach kurzer Anwärmzeit und später dann immer öfter, schleichend oder sprunghaft, betrug die Verstärkung nur noch 50%. Auch verschob sich das Schirmbild vertikal. Ich konnte durch Vergleichsmessungen mit dem intakten Kanal B auch den ungefähren Ausgangspunkt lokalisieren, aber irgendwie erschien das alles nicht schlüssig. Verdächtig war von Anfang an die Stelle, wo die Feinverstellung der Verstärkung vorgenommen wird. Da aber auch eine kalte Lötstelle oder ein Leiterbahndefekt nicht ausgeschlossen werden konnte (manche Berührungen führten zu Sprüngen in der Anzeige), verlief die Fehlersuche erst in die falsche Richtung. Das Hauptproblem war natürlich die nicht zugängliche Lötseite der Y-Platine. Auch der Einsatz von Kältespray brachte keinen Erfolg. Durch Ziehen und Stecken der Transistoren wurde zufällig (und unlogisch) ein halbwegs stabiler Zustand hergestellt. Obwohl unbefriedigend habe ich dann nach tagelanger Suche und Grübelei mit dem Abgleich begonnen. Manchmal findet man Fehler ja auch durch Zufall.

Als ich an die Stelle kam, wo der Bereich der Y-Feinverstellung überprüft werden sollte, sprang die Bildschirmanzeige plötzlich beim Verstellen des Potis beim Erreichen der Mittelstellung. Es war elektrisch genau die schon früher vermutete Stelle. Ein paar "Hoffmannstropfen" und schon war die Sache ausgestanden.
Bild 13

Anmerkung: Zum Reinigen von verschmutzten Potis benutze ich eine Einwegspritze gefüllt mit Isopropylalkohol. Wenn das Poti nur verschmutzt aber sonst mechanisch in Ordnung ist hilft das meistens. Man hofft es zumindest, deswegen "Hoffmannstropfen".
Bild 14 "Hoffmannstropfen"
Mittlerweile läuft das Gerät mit der Versionsnummer 13 zur vollsten Zufriedenheit. Das Gerät Version 12 hat sich nach erfolgreichem Abgleich mit einem neuen Fehler verabschiedet und die Versionen 06 und 07 liegen als Fragmente mit defekter Bildröhre auf Halde.
HDH
Für diesen Post bedanken, weil hilfreich und/oder fachlich fundiert.
PM3230 Nachtrag
Unter Bild 3 habe ich vom Y-Eingang den Schaltplan von Version 09 und das Foto von Version 13 gezeigt. Mittlerweile habe ich im Internet noch Fragmente einer Handbuchkopie gefunden, die von einer Version mindestens 13 stammen müssen. Die Versions-Nr. ist leider nicht angegeben. Sie muss aber mindestens 13 sein, denn in Version 13 hat der Eingangsteiler einen Trimmer mehr als die Version 12 (an beiden Geräten kontrolliert).
Ich hatte das zunächst übersehen, weil dazu große Fotos mit der Version 06 gezeigt wurden (Vergleich mit meiner Version 06). Mir ist unerklärlich, dass das dem Betreiber der Seite nicht aufgefallen ist, denn er besitzt offenbar die Version 06. Leider sind aus dem Handbuch nur die Abgleichanleitung und das große Gesamtschaltbild (in schlechter Qualität) kopiert worden.
Der Vollständigkeit halber hier auch diese Schaltung (von Kanal B wegen der besseren Qualität der Kopie an dieser Stelle):

DieTransistorbestückung je Y-Kanal kann damit zumindest für Version 13 wie folgt angegeben werden: 2 x BFW10 (FET), 2 x BF115, 2 x BCY70, 2 x FW5324, 2 x BCY70.
HDH
Für diesen Post bedanken, weil hilfreich und/oder fachlich fundiert.
PM3230, Netztransformator
Man möge mir den dritten Beitrag zu diesem Thema verzeihen, aber so manches ergibt sich eben mit dem Fortschreiten der Arbeit und ist noch erwähnenswert..
Auf der Geräterückseite befindet sich der Netzspannungswähler. Bei Geräteversion 06 nicht zu übersehen, bei den späteren Versionen fällt er kaum auf.


Bild 1 Spannungswähler Vers. 06 Bild 2 Spannungswähler Vers.07 ff
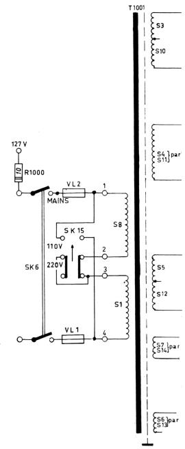
Bei der Geräteversion 06 kann man noch zwischen 110 V, 125 V, 145 V, 200 V, 220 V und 245 V wählen. Bei den späteren Versionen nur noch zwischen 110 V und 220 V, 127 V muss intern auf einen 10 Ohm-Vorwiderstand (R1000) umgelötet werden. Demzufolge fehlen auf dem Netztransformator auch die Wicklungen S2 und S9.


Bild 3 Netztrafo Vers. 06 Bild 4 Netztrafo Vers. 09 ff
Das hinderte aber die Philips-Leute nicht, in den neueren Service-Anleitungen weiterhin das alte Anschlussbild für den Trafo abzubilden.

Bild 5 Anschlussplan Netztransformator
Im Schaltbild sind auf der Netzseite zwei Sicherungen angegeben (VL1 und VL2). VL1 ist leicht auf der Geräterückwand zu finden. VL2 sucht man zunächst vergeblich. Es ist eine Thermosicherung im Transformator, in der Gerätestückliste unter den mechanischen Einzelteilen versteckt.


Bild 6 Netztrafo und Spgs.-Wähler Vers. 06 Bild 7 Netztrafo und Spgs.-Wähler Vers. 12
HDH
Für diesen Post bedanken, weil hilfreich und/oder fachlich fundiert.