radio UNDA,modello sconosciuto
? radio UNDA,modello sconosciuto

Cari colleghi collezionisti.Scrivo per conto di un socio austriaco che possiede una radio UNDA senza panello posteriore.Forse qualcuno riesce ad identificare l'apparecchi tramite le foto in allegato.
Grazie
Allegati:- I_Unda_unbekannt (117 KB)
- I_Unda_unbekannt (1) (118 KB)
- I_Unda_unbekannt1 (115 KB)
Ringrazia l'autore se ritieni l'articolo interessante o ben scritto.
modello UNDA

Salve, dovrebbe essere il Tri Unda 533, di cui su Radiomuseum è presente lo schema ma non la foto
Ringrazia l'autore se ritieni l'articolo interessante o ben scritto.
? UNDA sconosciuto

Avevo pensato anch'io al modello triunda 533, ma paragonando la foto del telaio con il disegno nel documento che allego, si vede che é diverso.Anche la scala parlante non mi convince. Inoltre la nostra radio monta come valvola rettificatrice una 35Z4 al posto della 6X5 come indicato nello schema.
Allegati:- triunda533 (50 KB)
- telaio (138 KB)
Ringrazia l'autore se ritieni l'articolo interessante o ben scritto.
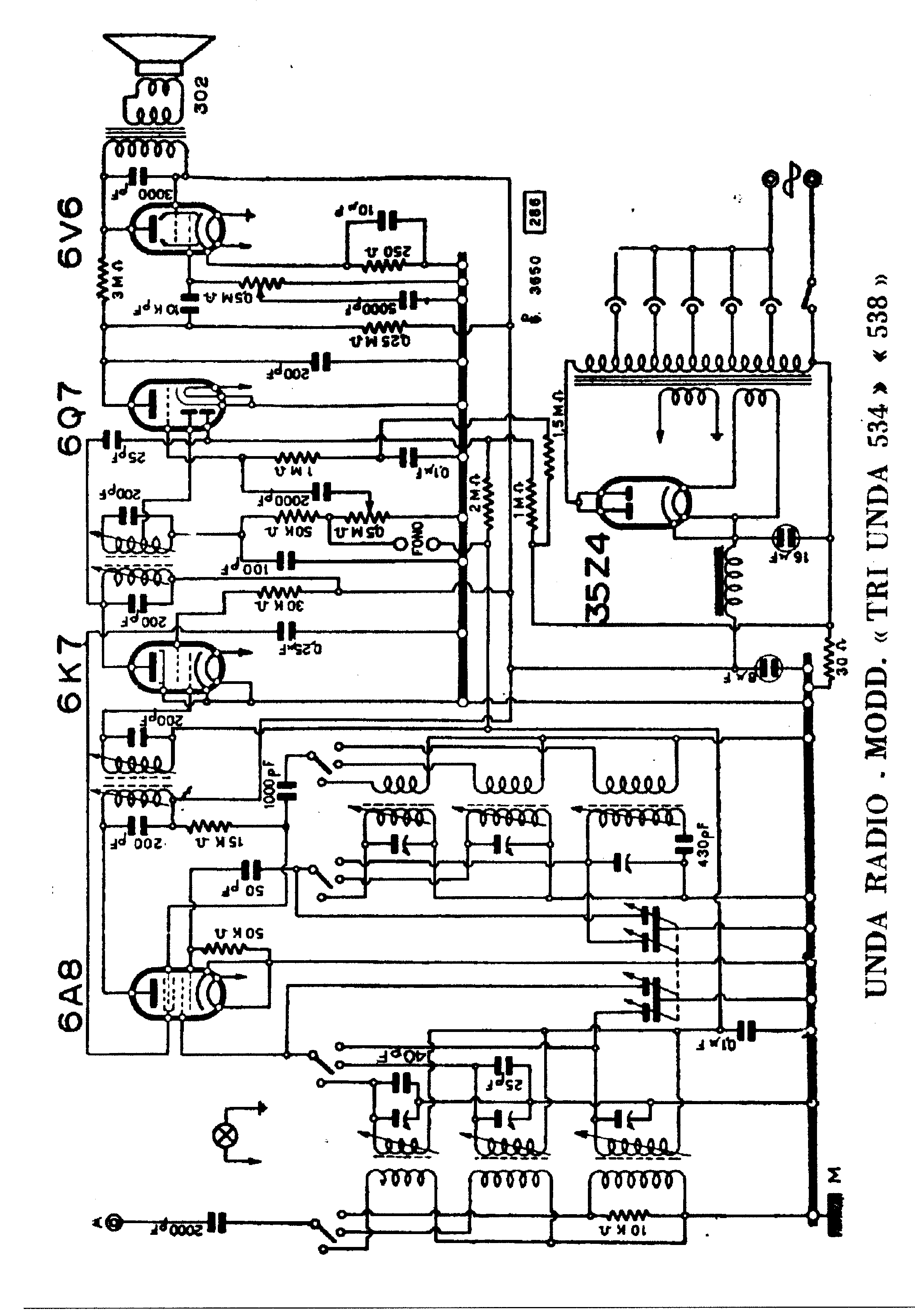
unda sconosciuta

L'unica UNDA che ho trovato con la valvola radrizzatrice 35Z4 è la triunda 534 e 538 di cui allego lo schema. Spero che sia quella giusta.
Allegati:- I_TRIUNDA_534 (89 KB)
Ringrazia l'autore se ritieni l'articolo interessante o ben scritto.
? UNDA sconosciuta

Grazie sig.Tusini. Potrebbe corrispondere.Per essere sicuri ci vorebbe però una foto del modello.L'immagine sulla pagina internet "undaradio.com"non può essere corretta in quanto mostra un'apparecchio con l'occhio magico.
Ringrazia l'autore se ritieni l'articolo interessante o ben scritto.
unda sconosciuta

E' vero che nella fotografia riporta l'occhio magico, ma non esiste nello schema quindi è probabile un errore nella foto. Anche la scala parlante è leggermente diversa, ma bisogna tener conto che le ditte, anche la Geloso, montavano una scala adatta alla nazione in cui veniva esportata la radio.
Ringrazia l'autore se ritieni l'articolo interessante o ben scritto.