radionde: Merkwürdiger NF Verstärker AF7 AL2 F443N
radionde: Merkwürdiger NF Verstärker AF7 AL2 F443N
Werter Rmorg,
Dieses 8 Röhren Radio
http://www.radiomuseum.org/r/radionde_unbekannt_8_roehren.html
ist sehr selten und der Schaltplan habe ich bis jetzt noch nicht bekommen. Vielleicht gibt es ihn durch diesen Text?
Als ich ich es gekauft habe, war es in gutem Zustand. Aber die Rohrenbestückung war offensichtlich nicht die Originale: keine ABC1, und die drei letzten waren: EBF2!!! AL2!!! und AL4.
Die AL4 war als TRIODE geschaltet und ich könnte ahnen, das es original eine AD1 war. Der Sockel wurde für indirekte Heizung und Triodeschaltung der AL4 verbastelt.
Die vorletzte Röhre war eine AL2 mit Widerstand kopplung! Und nach vielen Stunden kam ich auf die Schliessung, in die originale Sockelverkablung passte nur eine AL2! ABER... eine AL2 als Vostuffe von einer AD1, das gibt es auf Rmorg mit der Suchmaschine nicht!
Die Stufe davor je nach Sockel könnte nur eine AC2 sein. Aber sehr unkonventionnel geschallet siehe den Schaltplan den ich gezeichnet habe in der Beilage.
Fragen sind:
1) Ist diese Schaltung uberhaupt möglich? Kann es wirklich eine AL2 sein als Vorstufe der AD1?
2) Ich habe keine AD1, aber AL4 und AL5 dessen Lautsprecherimpedanz nahe der der AD1 ist. Hat es sinn die AL5 als Errsatzt zu nehmen? In normaler Penthodeschaltung? In Triodeschaltung?
Danke im Vorraus an den Spezialisten,
Christian ADAM
Anlagen:- NF mit AC2 AL2 AD1 (36 KB)
Für diesen Post bedanken, weil hilfreich und/oder fachlich fundiert.
Fall ist in Bearbeitung.
Sali Ernst, hallo Herr Adam,
ich hatte mir die Sache neulich schon mal kurz angesehen. Da ich das Gerät nicht kenne, hatte ich gehofft, dass sich jemand mit mehr Sachkenntnis der Sache annimmt. Andererseits sind ja eine ganze Reihe von Fragen zu beantworten. Deshalb wollte ich vor dem Posten noch einmal alles genauer überdenken. Ganz ohne Vermutungen wird es diesmal aber nicht gehen.
Ich melde mich wieder. Sollte mir jemand zuvorkommen, kein Problem.
Andreas
Für diesen Post bedanken, weil hilfreich und/oder fachlich fundiert.
Hallo an alle,
dies ist wahrhaftig eine sehr merkwürdige Schaltung, die einige Fragen aufwirft !
Wenig sinnvoll ist schon die erste NF- Stufe mit der AC2, die als Katodenfolger- Schaltung betrieben wird.
Zunächst ist schon absolut kein Grund erkennbar, eine AL2 mit einer Treiberstufe mit explizit niederem Innenwiderstand anzusteuern, wie es mit der Katodenfolger- Schaltung der Fall ist.
Ich habe den starken Verdacht, dass hier etwas verbastelt wurde und diese Schaltung nicht original ist, da für eine Katodenfolger- Schaltung das Steuergitter eine positive Vorspannung benötigt, damit die Katode einen brauchbaren Spannungshub machen kann. Hier liegt jedoch das Gitter der AC2 auf Masse ! So wie hier ist die Anwesenheit der AC2 eher schädlich als nützlich !
Man kann nur vermuten, dass die AL2 zur Ansteuerung der AD1 verwendet wurde, weil man glaubte, die AD1 niederohmig ansteuern zu müssen, weshalb man einen Ra von 20 k§Ù wählte. Diesen hätte z. B. eine AF7 oder AC2 nicht mehr ansteuern können.
Dann hat man jedoch den Fehler gemacht, die AL2 in Pentoden-Schaltung zu betreiben, weshalb als Ausgangs-Widerstand praktisch nur der Arbeits-Widerstand von 20 k§Ù wirksam ist, der Ri der Pentode AL2 ist dagegen hochohmig. Dies hätte sich aber drastisch geändert, wenn man die AL2 als Triode geschaltet hätte.
Die Notwendigkeit der niederohmigen Ansteuerung der AD1 (mit der AL2) liegt auch wohl eher im esoterischen Bereich. Die zeitgenössiche Literatur empfiehlt zur AD1- Ansteuerung eine AF7 oder eine AC2 über einen Ra von jeweils 200 k§Ù !
Im Schema ist notiert, dass die Triode der ABC1 nicht verwendet wird. Auf dem Foto sieht man aber Kabel zu aller Röhrengittern. Wie ist dies also zu verstehen ?
Diese Schaltung hat teilweise eine erstaunliche Ähnlichkeit mit Schaltungen aus der esoterisch-audiophilen Scene, wie sie auch heute noch für Röhren wie AD1, 2A3, 300B, etc. angewendet werden, siehe angefügte Datei [300BSE_ECL82.png]
Auch wenn ich grundsätzlich nicht viel von diesen sogenannten Hi-End- Schaltungen halte, so stellt die angefügte Schaltung mit ECL82 und 300B doch schon eher das dar, was die "radionde"- Schaltung vielleicht hätte sein sollen, aber nicht ist.
Die ECL82- Pentode ist hier wirklich als Triode geschaltet, und die Triode der ECL82 arbeitet ganz herkömmlich als Spannungsverstärker, wobei aber der absurd hohe Arbeits-Widerstand von 330 k§Ù schon wieder im Widerspruch zur Hi-End- Philosophie steht.
M. f. G. J. R.
Anlagen:- "Hi-End" (15 KB)
Für diesen Post bedanken, weil hilfreich und/oder fachlich fundiert.
Weiter...
Zuerst vielen Dank an die drei Kollegen die eingesprungen sind. Danke Herr Erb, dass Sie wieder das Thema zum auftauchen brachten.
Hierbei sind die Fotos von den Fassungen (was gelernt von Herr Roschy, man sagt nicht Sockel :-))
Ich habe auf meiner Seite auch weiter gesucht:
Eine AL2 als Vorstuffe einer AD1 aber in Triode Schalltung findet man empfohlen vor einem Push Pull von AD1 als die beste Lösung. Aber als Triode und vor einem NF Trafo... Hier ist es nicht den Fall
Der Sockel der AC2 (wenn es eine AC2 war) scheint nicht verbastelt zu sein. Und hier kann es doch nur eine AC2 sein?
Die Fassung der ABC1 wurde verbastelt und im kam darauf, dass original die ABC1 als Dreifachdiode angewendet wurde wie hier:
http://www.radiomuseum.org/r/philips_aachen_d57_d_57.html
Das erkennt man weil die Kathode an der Masse liegt (ohne Widerstand für die Triode) und sowieso gibt es schon die zwei NF Vorstufen!!!
Aber die ist wieder verbastelt worden: nur die Detektion bleibt, die anderen Komponenten für "Automatic Gain Control" sind herausgenommen worden...
Ich denke dass das Radio in diesem Zustand wie gefunden früher spielbar war, aber mit den richtigen Rohren...
Christian ADAM
Anlagen:
- sollte ABC1 sein (87 KB)
- sollte AC2 sein (95 KB)
- war AL2 (81 KB)
- war AL4 aber früher AD1 (verbastelt) (90 KB)
- Original AD1? auf AL4 verbastelt (90 KB)
Für diesen Post bedanken, weil hilfreich und/oder fachlich fundiert.
weiter
Hallo an alle,
das hier ist eine schwierige Angelegenheit. Leider kommen wir derzeit nicht ohne Vermutungen aus.
An Jacob:
ich stimme Deinen Überlegungen voll und ganz zu.
Zur "AC2"-Stufe: Man müsste mal eine AC2 mit Rk=5kOhm und Ub=250V betreiben, um zu sehen, welch ein Spannungsabfall sich an Rk einstellt. Ich könnte mir vorstellen, dass das für die klirrarme Verarbeitung einer nicht zu grossen NF-Spannung durchaus noch ausreicht und auf eine separate Hochlegung des Steuergitters verzichtet werden kann. Aber den Sinn einer solchen Schaltung an dieser Stelle kann ich mir auch nicht erklären. Vielleicht stimmt die Schaltung nicht. Siehe weiter unten.
Zur "AL2"-Stufe: Ich würde nicht unbedingt von Fehler sprechen, wenn die AL2 hier nicht als Triode geschaltet ist. Denn immerhin ergibt sich, wenn ich mich recht erinnere, bei Penthodenschaltung eine deutlich grössere, unverzerrte Ausgangsspannung als im Triodenbetrieb. Und das kommt dem grossen Eingangsspsnnungsbedarf einer AD1 sehr entgegen; schliesslich gibt es hier ja keinen Eingangstrafo.
An Herrn Adam:
Ist das Gerät soweit hergestellt (Kondensatoren usw.), dass der Verstärkerteil eingeschaltet werden könnte (vorsichtig, vielleicht jede Stufe einzeln, um Folgeschäden zu vermeiden)? Wenn ja, könnten Sie dann vielleicht ein paar Spannungsmessungen durchführen? Vielleicht kann man dann erkennen, ob die Schaltung so überhaupt funktionsfähig und damit plausibel ist. Bitte messen Sie die Spannungen an allen Elektroden der "AC2"- und "AL2"-Stufen mit einem nicht zu niederohmigen Messgerät.
Zur "ABC1"-Stufe, Ihr Bild L4_WEB.jpg:
damit habe ich mich noch nicht beschäftigt.
Zur "AC2"-Stufe, Ihr Bild L5_WEB.jpg:
Ich bin mir sehr unsicher, ob eine AC2 hier richtig ist. Könnte es nicht auch eine AF7 sein? Denn es sieht so aus, als ob der G2-Anschluss original beschaltetet ist, mit einem Kondensator und einem Widerstand. Bitte genaue Schaltung angeben! Und auch eine Brücke von G3 nach Kathode ist geschaltet. Beides spricht gegen den Einsatz einer Triode und für den Einsatz einer Penthode.
Ausserdem: Was ist mit dem Anodenanschluss? Wenn er an 250V liegen würde, dann wäre kein abgeschirmtes Kabel nötig. Oberhalb der Fassung ist ein Widerstand von 500 Ohm (und ein Kondensator) zu sehen. Sind beide vielleicht an die K/G3-Leitung angeschlossen und damit eine typische Kathodenkombination? Beide Fakten würden für eine normale Kathodenbasis-Verstärkerstufe sprechen.
Oder ist es vielleicht ein falsches Bild?
Zur "AL2"-Stufe, Ihr Bild L6_WEB.jpg:
Es könnte gut sein, dass hier eine AL2 richtig ist. Dafür spricht der G2-Spannungsteiler und der niedrige Ra von 20kOhm. Eine AF7 wird damit wohl nicht klarkommen, wie Jacob schon postete.
Zur "AD1"-Stufe, Ihr Bild L7_WEB.jpg und L7_WEB1.jpg:
Ich sehe keine Unterschiede zwischen den Bildern. Sind beide Bilder vor dem Rückbau auf AD1 aufgenommen worden?
Prinzipiell kann man die AD1 schlecht ersetzen. Eine AL4 müsste man dazu bei reduziertem Anodenstrom betreiben. Eine AL5 hätte zwar die nötige Anodenbelastbarkeit, aber die hohe Steilheit beider Röhren typen ergäbe einen total falschen Arbeitspunkt, den man mit Hilfswiderständen experimentiell korrigieren müsste. Beide Röhren würden den Heizkreis überlasten. Das täte eine AL1 bzw. RES964 nicht, aber deren Anodenbelastbarkeit würde ebenfalls einen reduzierten Anodenstrom erfordern. Praktische Erfahrungen habe ich diesbezüglich leider nicht.
Andreas Steinmetz
Für diesen Post bedanken, weil hilfreich und/oder fachlich fundiert.
Sehr gute Schätzung!
Hallo Herr Steimetz,
Vielen Dank für ihre dokumentierte Antwort. Ja, die zwei letzten Fotos sind die selben, das war ein Irtum von mir und ich wusste nicht, wie eins löschen!
Noch ein Fehler von mir: das "AC2" Foto ist nicht das richtige! Das habe ich heute Abend gesehen beim Nachprüfen. Eine AF7 war im Radio in dieser Fassung als ich es gekauft habe aber: Gitter g3 (suppressor grid in english, ??? in Deutsch) war nicht angeschlossen. So kam ich auf die Schlussfolgerung, es könnte nur eine AC2 sein, und der Spannungsteiler wäre nur da für die Verkablung, aber dient nicht für eine AC2.
Ich war vom Anfang überzeugt, diese Schaltung sei die Originale. Am Sonntag habe ich es probiert, mit AC2, AL2 und AL4 mit externer power supply und minus 7V für die AL4. Ich fand 7,75V an R7 und 7,35V an R4. Alle Kondensatoren waren ausgewechselt ausser C4 in der NF Stuffe.
Heute Abend habe ich einfach eine AF7 probiert. Spannung an R7 ist 2,4V und an R4 5,8V. Gitter der AL2 ist jetzt negativ im Vergleich der Kathode. Und ... der NF Verstäker klappt ganz schön am Oscilloskop und mit dem Lautsprecher. Die ganze Verstärkung ist 100 und der Sinussignal ist sehr sauber!
Aber das Gitter g3 hängt immer noch in der Luft!!! Wenn ich es an die Kathode anhänge sehe ich kein Unterschied. Wer hat das schon gesehen???
Ich werde noch mehr berichten, wenn ich die Zeit habe alles richtig zu machen. Heute Abend musste es rasch gehen.
Aber Hut ab,Herr Steinmetzt, sie hatten Recht: es war ja eine AF7 ohne dass das Gitter g3 angeschlossen ist. Ist das wegen dem ganz kleinen Strom von nur 0,5 mA?
So das die originale Röhrenbestückung diese vermutlich ist: AK2 AF3 AF3 ABC1 AF7 AL2 AD1
Und ich bekam das Radio so: AK2 AF3 AF3 EBF2 AF7 AL2 AL4
Radio war verbastelt mit AL4 statt AD1, und ich fand die EBF2 statt ABC1, aber auch wie schon geschrieben mit AGC Komponenten rausgeschnitten. So frage ich mich: wurde dieses Radio mit einer EBF2 bestückt weil der Fachmann keine ABC1 finden könnte? Würden den die 4V reichen statt der 6,3V? Das könnte erklären, warum die AGC Komponenten rausgebaut sind ???
Ich werde sicher noch weitere Hilfe brauchen, aber werde auch noch weiter berichten.
Ich bitte um Entschuldigung, für die Fehler und wenn mir die deutschen Wörter fehlen: Ich hatte in französich die ersten Fragen auf Rmorg gestellt aber bekam keine Antwort...
Noch vielen Dank an die Herren Roschy und Steinmetz: Rätsel ist nähe der Lösung (warum ist g3 der AF7 nicht benutzt ist noch zu verstehen:-)
Mit freundlischen Grüssen aus Colmar,
Christian ADAM
Für diesen Post bedanken, weil hilfreich und/oder fachlich fundiert.
"Radionde-neu"
Hallo Kollegen,
Diesen Bericht, incl. Schaltung, habe ich vor dem letzten Post von Herrn ADAM verfasst und ist daher nicht mehr ganz aktuell. Aber man kann immer noch darüber diskutieren.
Leider kann man nun nicht mehr eindeutig erkennen, in wie weit diese Schaltung sowohl verbastelt wie auch von Beginn an unprofessionell konstruiert wurde.
Als sehr unprofessionell sehe ich die Eingangsstufe mit der AC2 (jetzt AF7, ändert aber nichts) . Eine Katodenfolger- Schaltung ergibt hier grundsätzlich keinen Sinn, dazu ist sie noch völlig unzweckmäßig ausgelegt, siehe oben.
Ebenso unprofessionell ist z. B. auch die "Tonblende" (Graves-Aigus), indem ein Kondensator C11 über einen Schalter an die Anode der AD1 geschaltet wird. Dies ist die ungünstigste Stelle in der ganzen Schaltung für einen Tonblenden- Kondensator, da der innen- Widerstand der AD1 nur ganze 670 Ohm beträgt ! Das ist ungefähr so, als würde man bei einem Auto die Bremse anziehen, um langsamer zu fahren, anstatt das Gas zu reduzieren !
Wenn ich dieses Radio für mich restaurieren würde, dann würde ich mich an der obigen "Hi-End"- Schaltung (Post 4) orientieren, um mit dem Röhrensatz AC2 - AL2 - AD1 noch das Vernünftigste herauszuholen, denn wie erwähnt, zur Ansteuerung der AD1 genügt eigentlich schon eine AF7 oder sogar eine AC2 alleine, - demnach könnte man die AL2 entfallen lassen !
Hierzu habe ich die Schaltung " Radionde-neu" gezeichnet.
Wenn eine ECL82- Pentode, als Triode geschaltet und mit Ra = 22k eine 300B ansteuern kann, dann kann eine AL2, auch als Triode geschaltet, eine AD1 ansteuern !
Mit dem Katoden-Widerstand R54 wird der Arbeitspunkt der AL2 auf maximale symmetrische Ausgangs-Spannung eingestellt.
Auch würde ich die AC2 ganz normal in Kathodenbasis- Schaltung betreiben. Die Tonblende (Graves-Aigus) würde ich entweder ganz weglassen, oder mit S51, C61 und R71 vor die AL2 schalten. (Bei AF7 würde R71 entfallen)
Statt der AD1 würde ich eine AL5 in Trioden-Schaltung einsetzen. Die erzielbare Sprechleistung wird zwar etwas geringer sein als mit der AD1, dürfte aber immer noch ausreichen. Mit einem Trimmer R62 wird die AL5 auf 60 mA eingestellt, um auf den Anodenstrom der AD1 zu kommen. Die Gittervorspannung ist hierzu jedenfalls geringer als für die AD1, daher die Schaltung des Trimmer R62.
M. f. G. J. R.
Anlagen:- Radionde-neu (8 KB)
Für diesen Post bedanken, weil hilfreich und/oder fachlich fundiert.
Danke für den Vorsclhag
Hallo Herr Roschy,
Zuerst möchte ich mich entschuldigen: ich habe euch alle auf AC2 gebracht und es war doch eine AF7 in "ganz besondere" Schaltung :-) Ist mal wieder was neues in 1936 erfunden worden in Frankreich :-) Aber das alles hat euch Arbeit gemacht... sorry dafür.
Ihr Vorschlag ist mehr klassich. Ich werde noch überlegen, ob ich den Radionde original treu reparieren werde, oder nach ihrer Schaltung. Aber sowieso bin ich in ihre Arbeit interessiert: ich habe keine AD1 und hatte schon daran gedacht, eine AL5 anzuwenden, wegen der besseren Impedanz für ein AD1 Lautsprecher.
Ich habe diese gemessen als 3000 Ohm @ 1000Hz und 2600 @ 400Hz (mit welcher Frequenz muss man messen ?)
Also ist AL5 sehr gut geeignet, auch als Penthode. Warum ist in der Radionde "Reparatur" die AL4 als Triode geschaltet und warum empfehlen Sie auch die Triode Schaltung für die AL5? Wegen der zu starken Ausgansleistung als Penthode? Oder ein anderer Grund?
Merci beaucoup im Vorraus,
Christian
Für diesen Post bedanken, weil hilfreich und/oder fachlich fundiert.
weiter
Hallo Herr Adam,
es ist ja immer noch einiges unklar. Warten wir mal Ihre weiteren Informationen ab. Übrigens: Ihr Deutsch ist gut verständlich, also kein Problem.
Ich habe inzwischen, auch wenn sich das ja jetzt fast erübrigt hat, mal eine gute AC2 mit Rk = 5kOhm an Ub = 250V in Anodenbasisschaltung betrieben. Dabei stellt sich an Rk eine Spannung von 7,55 V ein. Damit könnte auch diese Variante ohne pos. Vorspannung an G1 durchaus eine geringe NF-Spannung einigermassen verzerrungsfrei verarbeiten. Ich denke, dass sich auch eine AF7 ähnlich verhalten würde.
Offen waren Fragen zum G3: Zu deutsch heisst das G3 Bremsgitter. Da es nur sehr wenig Strom aufnimmt, passiert meistens nicht viel, wenn man den G3-Anschluss offen lässt. Theoretische Instabilitäten habe ich in der Praxis noch nicht feststellen können. Aber auch wenn es in der Anodenbasischaltung vielleicht weniger wichtig ist als in der Kathodenbasischaltung: anschliessen sollte man das G3 in jedem Falle.
Dann noch eines: Ihr Gerät ist ein wirklich interessantes Exemplar, unter anderem schon deshalb, weil es technisch gesehen recht aufwändig ist. Das ist selten und, wie ich meine, in jedem Falle sammelwert. Deshalb würde ich an Ihrer Stelle auch versuchen, die Originalschaltung wieder herzustellen. Und dazu würde ich auch die Endstufe mit einer AD1 betreiben wollen. Schauen Sie sich doch mal um: bei Ebay z.B. gibt es immer wieder gut erhaltene (oder sogar neue) Tungsram AD1 für unter 100,- Euro. Dafür würde ich nicht die ganze Endstufe umrüsten auf z.B. AL5. Aber wenn es doch so sein soll, dann schalten Sie die AL5 als Triode, denn aufgrund des dann niedrigen Innenwiderstandes wird die Lautsprecherresonanz gedämpft und, besonders bei einem nicht so guten Übertrager, werden auch die Bässe besser übertragen. Der Klang ist dann näher am Original als bei einer Penthode.
Andreas
Für diesen Post bedanken, weil hilfreich und/oder fachlich fundiert.
Ich bin zufrieden mit dieser Meinung...
Hallo Herr Steinmetzt,
Ich bin einverstanden mit Ihrer Meinung. Ich werde den NF Verstärcker fertig machen wenn möglich auf originaler Schaltung (Ich habe keine AD1 aber besitze AL5 und auch zwei 2A3, die beste Lösung um eine AD1 ersetzen sagt uns Herr Roschy, und man sieht es in den Tabellen). Leider Faden mit 2,5V!
Solche Beitragen sind nicht einfach in einer Fremdsprache, aber ich kriege hier sehr gute Antworten, wenn ich mich die Mühe gebe, Deutsch zu schreiben. Und dazu noch verbessere Ich meine Fremdsprachen! Und bei uns im Rmorg gibt es kein Bla Bla...
Ich will mal ein Freund fragen, ob er nicht zwanzig AD1 in seinem Lager hat :-)
Ich werde weitere Fragen haben für diesen raren Radionde: das ganze Apparat muss wieder mal singen! Auf dem Französichen Doc TSF gibt es kein Foto von irgend welchem Radionde Radio!
Mit freundlischen Grüssen aus Colmar,
Christian ADAM
Für diesen Post bedanken, weil hilfreich und/oder fachlich fundiert.
Hallo Kollegen,
wegen relativem Zeitmangel fasse ich mich eher nur kurz.
Dass die Katodenfolger- Eingangsstufe sogar mit einer Pentode AF7 betrieben wird, macht die Sache noch unsinniger.
Wenn man eine Mehrgitter-Röhre in Katodenfolger- Schaltung betriebt, so wirkt diese immer nur als Triode !
Die weiteren Gitter sind hier nutzlos ! Deshalb stört hier auch nicht, wenn g3 "floated", denn das g2 wirkt bereits schon als Anode.
Ich möchte auch darauf hinweisen, dass diese Stufe absolut keine Siganlverstärkung bewirkt und durch die völlig unzweckmäßige Betriebsart maximal nur zu Verzerrungen führt, - das ist das Einzige, wozu diese Schaltung fähig wäre ! Es wäre also eine Verbesserung, sie einfach weg zu lassen !
Ja, "Grille de suppression" nennt man hier "Bremsgitter", denn "Unterdrückungsgitter" hätte sich nicht gut angehört, obwohl der Begriff "Bremsgitter" irreführend ist. Philips nannte es "Fanggitter", was die Sache eher trifft. Leider konnte sich das nicht durchsetzen, vielleicht stand da Telefunken dahinter.
Zur End-Röhre (AD1):
Die Impedanz wird normal bei 1000Hz gemessen, dann hat man hier also 3000 Ohm.
Für die AD1 wäre nach Buch 2300 Ohm passend, da käme also eher der Wert bei 400Hz in Frage
Für die AL5 wären 3500 Ohm optimal, dies aber nur bei Ia = 72 mA und Ig2 = 7 mA, dann hat man zusammen aber 79 mA und damit zuviel für dieses Gerät, da die AD1 mit 60 mA läuft.
Man müsste also den normalen 175 Ohm Katoden-Widerstand der AL5 soweit erhöhen, dass nur noch 60 mA fließen. Dann wäre aber die optimale Impedanz auch bei mehr als 3500 Ohm, also immer weiter entfernt von den gemessenen 3000 Ohm.
Um dem Verhalten der AD1 so nahe wie möglich zu kommen, sollte man die AL5 als Triode schalten. Allerdings wird die Sprechleistung als Pentode höher sein.
Klar wäre eine original AD1 ideal, nur eben sehr teuer. Eine 2A3 könnte man über einen Auto-Transfo 4 V → 2,5 V anpassen. Diese Transformatoren gab es in der Größe von Lautsprecher- Transformatoren und sie haben Anzapfungen für 2,5 - 4- 5 und 6,3 V. Man findet sie heute noch auf dem Radio-Flohmarkt.
Was man daran original erhält, obwohl es "suboptimal" ist, oder ob man es verändert, kann man nur individuell entscheiden.
Ja, auch für mich ist es anstrengend, in englisch zu schreiben, die einzige Fremdsprache, die ich beherrsche, - französisch leider nicht, ich hatte bisher exakt 0 Stunden Unterricht in Französisch !
Hobbygrüße, Jacob
Für diesen Post bedanken, weil hilfreich und/oder fachlich fundiert.
Eingangsstufe, Ersatz der AD1
Lieber Jacob,
wieder stimme ich Dir in allem zu. Und wenn ich ehrlich bin, dann glaube ich auch noch nicht so recht, dass am Eingang original ein Kathodenfolger (bzw. eine Anodenbasisschaltung) vorhanden war. Weitere Hinweise könnte man noch bekommen, wenn man überprüft, ob die AL2 in der angegebenen Dimensionierung mit etwa 7,5V Vorspannung aus der Eingangsstufe am besten zurechtkommt oder ob sie besser bei 0V Vorspannung funktioniert. Noch ein weiteres Kriterium wäre die Gesamtverstärkung, ob also mit Kathodenfolger überhaupt genug Verstärkung bzw. Eingangsempfindlichkeit vorhanden ist. Aber warten wir mal weiter ab, was Herr Adam noch so herausbekommt.
Hallo Herr Adam,
ich habe noch zwei Ideen zum kostengünstigen Ersatz der AD1: Falls die AD1 keine separate Heizwicklung hat, sondern aus der Heizwicklung für das gesamte Gerät geheizt wird, ist der Wickeldraht des Trafos sicher so dick, dass eine Überlastung unkritisch ist. Dann würde ich eine Ihrer 2A3-Röhren einbauen und einfach in jede Zuleitung zu den Heizungsanschlüssen der 2A3 einen Hochlastwiderstand (Drahtwiderstand 4W) von 0,3 Ohm (oder in eine Leitung 0,27 Ohm, und in die andere 0,33 Ohm) legen. Dann sollten sich 2,5 V Heizspannung direkt an der Röhrenfassung ergeben. Andernfalls die Widerstände anpassen. Dabei sollte darauf geachtet werden, dass infolge der Überlastung die Gesamt-Heizspannung nicht wesentlich unter 4V abfällt
Wer Lust hat, auf den Trafo ein paar zusätzliche Drahtwindungen aufzubringen (geht meistens auch nachträglich ohne Zerlegen des Blechpaketes), kann diese in Reihe zur 4V-Wicklung schalten (evtl. sogar zwei Hälften: eine an das obere, und eine an das untere Ende der 4V-Wicklung). Dann kann man auch eine 6A3 bzw. 6A5G oder die russischen Vergleichstypen, z.B. 6B4G bzw. 6S4S, verwenden. Gerade die russischen Röhren sind nicht unbedingt teuer und meistens von guter Qualität. Siehe dazu die Lieferanten bei unserer entsprechenden Röhrenseite oder bei Ebay. Ohne Zusatzwindungen würden die Röhren mit 4V aber zu stark unterheizt werden.
Gruss,
Andreas
Für diesen Post bedanken, weil hilfreich und/oder fachlich fundiert.
Messungen mit AF7 AL2 und AL4
Hallo Kollegen,
Für den AD1 Ersatzt habe ich noch nichts gemacht, obwohl ich die Lösung der AL5 in Triode Schaltung bevorzüge: keine Fassung Änderung und zieht weniger Strom als die 2A3. Ich bin noch mit der AL4 in Triode Schaltung geblieben.
Wie es Herr Steinmetz geschrieben hat, sollte der Trafo 1A mehr liefern können...
Heute Abend habe ich die NF Stufen Verstärkung gemessen: also Herr ROSCHY, die Spannungsverstärkung der AF7 ist konstant und gleicht 0,81 wie sie es geschätzt haben! Aber alle Sinussignale sind sehr sauber, ich siehe keine Verzerrung. Warum es so ist vertehe ich nicht, aber alles scheint zu zeigen dass hier alles original war... Ist das eine Marketing Sache, eine Röhre mehr zu haben als den Nachbar auf einem High End Radio :-)?
Im Word Dokument kann man alles lesen. Alle Kondensatoren sind ersetzt worden und der "Graves/ Aigus" Kondensator ist nicht eingeschaltet. Vcc bedeutet Vpp (Vpeak-peak).
Ich will es nochmal probieren mit der AC2...
Mit freundlischen Grüssen aus Colmar (F),
Christian
Anlagen:- NF Stufen AF7 AL2 AL4 (33 KB)
Für diesen Post bedanken, weil hilfreich und/oder fachlich fundiert.
? Messbedingungen
Hallo Herr Adam,
auffallend an den Messreihen ist der Verstärkungsabfall zu niedrigen Frequenzen hin. Ein Grund dafür ist auf jeden Fall der recht klein dimensionierte Entkoppelkondensator an der Kathode der AL2. Näheres dazu später. Aber auch in der Endstufe gibt es einen Bassabfall, für den wir eine Begründung finden sollten. (Sicherlich kommt als eine Ursache dafür auch eine nicht allzu hohe Primärinduktivität des Ausgangstrafos in Frage, und für den starken Höhenanstieg ab etwa 5 kHz schon die Streuinduktivität des Ausgangtrafos.)
Bevor wir Ihre schönen Messreihen weiter interpretieren und auch etwas zur Gesamtverstärkung sagen, geben Sie uns doch bitte an, wie während der Messungen die Sekundärseite des Ausgangstrafos belastet gewesen ist. Hoffentlich war das kein Leerlauf, sondern zumindest der originale Lautsprecher. (Am besten liessen sich Aussagen treffen, wenn Sie stattdessen einen ohmschen Widerstand verwenden, der so gross ist, dass sich bei 1 kHz die gleiche Spannung ergibt wie mit dem zugehörigen Lautsprecher, oder der ebenfalls primärseitig eine Scheinimpedanz von 3 kOhm bewirkt. Aber ganz so genau müssen wir es nicht unbedingt haben.)
Andreas
Für diesen Post bedanken, weil hilfreich und/oder fachlich fundiert.
? einige Messungen
Hallo Kollegen,
ich glaube, dass man hier noch viel erforschen muss, um hinter alle Geheimnisse zu kommen.
Deshalb habe ich hier einige Fragen über Spannungen:
-
die Gesamt- Anodenspannung (soll 250 V),
-
die Spannung über R7, über R3, R4, R6, R10, R11, über AL2: a-k;
-
den Gesamtstrom, z. B. gemessen zwischen Bobine HP und R10,
-
den Strom jetzt über die AL4,
dann schlage ich noch einige Messungen vor:
-
R1 / C12 von g1-AD1 (AL4) abtrennen,
-
das g1 mit einen provisorischen Gitter- Widerstand 50...100 k mit - C10 verbinden.
-
Die Verbindung R1 / C12 muss bestehen bleiben.
-
Nun diesen Verstärker mit Sinus ( ca. 1 kHz ) aussteuern und die maximale unverzerrte Spannung ( V-ss oder V-eff) am Punkt R1 / C12 ermitteln.
-
Dann vielleicht die AC2 entfernen und Signal über R7 einspeisen und erneut ermitteln.
-
dabei auch die Gleichspannungen über R7, R3, R4, R6, und AL2: a-k messen (ohne Audio-Signal).
Weitere Fragen:
-
sind R10 - R11 original ?
-
haben R1 und R2 wirklich genau diese Werte wie laut Schema ?
-
gibt es noch andere Widerstände oder Bauteile, die vielleicht nicht original aussehen ?
-
Hat der Lautsprecher- Übertrager (Transformator) vielleicht Anzapfungen ?
-
der Wert von C11 ?
Übrigens C6 (1nF) kann nur ein Resultat von Verbastelung sein. Es kommt nie vor und ist nur schädlich, einen Kondensator von einem Gitter nach + zu schalten. Ein weiteres Indiz, dass mit der AC2- Stufe alles falsch und verbastelt ist.
C7 mit nur 1nF vor dem Vol-Pot kann auch nur falsch sein, normal ist min. 10 nF, bei "Hi-End" eher 22...47 nF.
Hobbygrüße, Jacob
Für diesen Post bedanken, weil hilfreich und/oder fachlich fundiert.
Antworten zur Fragen
C7 mit nur 1nF vor dem Vol-Pot kann auch nur falsch sein, normal ist min. 10 nF, bei "Hi-End" eher 22...47 nF.
Selbe Antwort als oben (default value), ist original 10000cm = 11nF
Ich bitte um Entschuldigung, dass alle Werte noch nicht korrekt waren
Christian
Für diesen Post bedanken, weil hilfreich und/oder fachlich fundiert.
Um es wieder hoch zu bringen...
Ich habe die zwischen Antwort gelöscht (dass ich unter weg war) und die Fragen beantwortet...
Christian
Für diesen Post bedanken, weil hilfreich und/oder fachlich fundiert.
Gesamtverstärkungen, Pegelpläne, Ersatz AD1
Liebe Kollegen,
vielleicht tut Arbeitsteilung in diesem Thread ganz gut. So will ich mich mal zur Gesamtverstärkung äussern. Schon eine grobe Abschätzung (bei f=1000Hz, weil dann die Einflüsse der frequenzbestimmenden Elemente vernachlässigbar sind) kann sehr hilfreich sein:
1. Rechnen wir einmal rückwärts und gehen von der Originalbestückung AD1 aus, für die die Schaltung ja original dimensioniert sein soll. Für diese Röhre wird bei Ua=250V und Ia=60mA ein Pausg=4,2W an Ra=2,3kOhm angegeben. Dabei ist der Gitterwechselspannungsbedarf Ug=30Veff. Weitere Daten: S=6mA/V, 1/D=4, Ri=670Ohm. Rechnet man die Ausgangsleistung auf Ra=3kOhm (bei 1000Hz) um, so kommt man auf Pa=ca.3,5W und Ug=ca.31Veff. (Hinweis: Unter Annahme einer etwas niedrigeren Uasat und v=const.). Die Ausgangsspannung wäre Uo=Ua=102,5Veff (an der Primärseite des Ausgangstrafos).
Da die AL2 in der gemessenen Schaltung eine Verstärkung von 20,87 hat, benötigt sie Ug=1,485Veff. Der vorgeschaltete Kathodenfolger hat eine Verstärkung von nur 0,81, so dass der Wechselpannungsbedarf am Verstärkereingang Ui=1,83Veff wäre, bei Sinus also 5,19Vss. Das kann die angegebene Schaltung mit Sicherheit nicht verzerrungsarm verarbeiten, zumal die Kathodenspannung nur 7,55V (Variante AC2) oder gar 2,4V (Variante AF7) beträgt!
Mit anderen Worten: Die max. Ausgangsleistung der AD1 kann in der angegebenenen Schaltung (bei weitem) nicht erreicht werden. Zudem wäre der Verstärker sehr unempfindlich; der Radioteil sowie ein Tonabnehmer könnten diese Spannung gar nicht zur Verfügung stellen.
Es ergibt sich also folgender Pegelplan (die Indizees 1,2,3 stehen für die Stufen-Nr.):
Ui=Ug1=1,83Veff, v1=0.81 =>Ua1=1,485Veff
Ug2=1,485Veff, v2=20,87 =>Ua2=31Veff
Ug3=31Veff, v3=3,306 =>Ua3=Uo=102,5Veff (entspr. 3,5W an 3kOhm)
vges=v1 x v2 x v3=55,89=ca.56
2. Normalerweise haben die NF-Teile von Radios Empfindlichkeiten im Bereich von vielleicht grob 100mVeff für Vollaussteuerung. Das heisst aber, dass wir in unserem Falle eine Gesamtverstärkung von etwa 1025 bräuchten. Es fehlt also immerhin ein Faktor von 1025/56=18,3!
Für Verbastelungen kommen prinzipiell nur die AL2-Stufe oder die Eingangsstufe in Frage. An der AL2-Stufe erscheint mir der Arbeitspunkt nicht sinnvoll, denn bei einem Ua=60V befindet sich die Röhre schon fast in der Sättigung. Bei optimaler Dimensionierung könnte man die Verstärkung vielleicht noch etwas hochschrauben, aber die Verbesserung wäre viel zu gering. In Triodenschaltung wäre die Verstärkung noch geringer.
Meines Erachtens kann das nur heissen, dass die Eingangsstufe komplett verschaltet ist. Wenn man hier eine AC2 in üblicher Kathodenbasisschaltung verwenden würde, dann hätte man statt v1= 0,81 eine Verstärkung von etwa v1*=20. Das ergäbe ein v*ges=v1* x v2 x v3=1380 und damit eine Eingangsempfindlichkeit von 74mVeff.
Pegelplan:
Ui*=Ug1*=74,25mVeff, v1*=20 =>Ua1=1,485Veff
Ug2=1,485Veff, v2=20,87 =>Ua2=31Veff
Ug3=31Veff, v3=3,306 =>Ua3=Uo=102,5Veff (entspr. 3,5W an 3kOhm)
v*ges=v1* x v2 x v3=1380
Diese Konstellation hätte noch so viel Reserve, dass man darüber nachdenken könnte, ob die AL2 im Original nicht vielleicht doch in Triodenschaltung betrieben worden sein könnte (glaube ich zwar nicht, aber Jacob ist da wohl anderer Meinung).
Willkommener Nebeneffekt bei Verwendung der AC2-Kathodenbasis-Vorstufe: Durch die RC-Kopplung bekommt die AL2 keine positive Gittervorspannung mehr und würde ihren Arbeitspunkt aus der Sättigung heraus in den linearen Bereich verlegen. Eine Eingangsstufe mit AF7 kommt meiner Meinung nach dagegen nicht in Frage, weil sie ein v1**=ca. 100...150 hätte. Das wäre wohl selbst bei einer AL2 in Triodenschaltung zu viel Verstärkung und würde den Fremdspannungsabstand sehr verschlechtern, denn das Lautstärke-Poti ist ja ganz vorne am Eingang angeordnet.
3. Wenden wir uns jetzt noch der durchgemessenen Variante mit AL4 in Triodenschaltung zu. Diese Röhre hat auch in Triodenschaltung konstruktionsbedingt eine deutlich grössere Verstärkung als die AD1, nämlich gemessene v3***=13,13 statt v3=3,306. Unter der Annahme, dass am Eingang eine AC2 in Kathodenbasisschaltung original vorhanden war und auch beibehalten würde, ergäbe sich ein v***ges=v1* x v2 x v3***=5480! Das bedeutet wieder viel zu viel Verstärkung und einen schlechten Fremdspannungsabstand. Beim Ersatz der AD1 durch eine AL4 (oder auch AL5) musste also die Verstärkung herabgesetzt werden. Das mag meines Erachtens der entscheidende Grund dafür gewesen sein, warum man seinerzeit die AC2-Eingangsstufe von Kathodenbasis- in eine Anodenbasisschaltung umgebaut hat. Dann ergibt sich nämlich eine Gesamtverstärkung von etwa 222, wie Herr Adam das jetzt am Gerät gemessen hat. Dabei ist die Empfindlichkeit ca. 462mVeff für Pa=4,2W, entsprechend 1,41Vss, wobei die Eingangsstufe dabei sicherlich schon deutliche Verzerrungen produzieren wird, zumindest in der Variante AF7.
4. Mein vorläufiges Fazit: Die Verstärkungsfaktoren und Pegelpläne lassen meines Erachtens nur den Schluss zu, dass im Original als Eingangsstufe eine AC2 in Kathodenbasisschaltung verwendet wurde. Evtl. möglich wäre noch, dass die AL2-Stufe original als Triode geschaltet war. Für Penthodenbetrieb spricht die höhere entnehmbare Ausgangsspannung, besonders in Verbindung mit der niedrigen Ug2.
Ich bin gespannt, wie es weitergeht.
Hinweis: Hier gibt es ausführliche Applikationsunterlagen zur AD1 von Philips. Leider in französischer Sprache. Aber für Herrn Adam ist das ideal. Besonders hinweisen möchte ich auf eine Applikation mit einer AL2-Treiberstufe am Ende des Dokuments: vielleicht eine französische Spezialität? Leider reicht mein Schul-Französisch nicht aus, und ich verstehe nicht alles. Vielleicht kann Herr Adam ja die letzte Seite, wo es um die AL2 geht, mal ins Deutsche übersetzen?
Andreas
5. Nachtrag 22:22 Uhr: Angeregt durch Jacob Roschys Post Nr. 23, habe ich gerade eben im Ratheiser Angaben zur Triodenschaltung der AL4 und AL5 gesucht und gefunden. Ich war doch sehr überrascht, wie stark die Ausgangsleistung zurückgeht! Damit sind die Stufen lt. meinem Punkt 3. noch weniger aussteuerbar, bis die Endstufe begrenzt, aber die prinzipiellen Überlegungen bleiben natürlich gültig. Hier die Angaben:
a) AL4 als Pseudotriode, Wirkungsgrad-optimiert:
Ua=250V, Ia=20mA, Ra=7kOhm, Pamax.=1,2W!!, k=7%, Ug1=5,5Veff, =>v=16,66
b) AL4 als Pseudotriode, Verstärkungs-optimiert:
Ua=250V, Ia=36mA, Ra=3kOhm, Pamax.=1,2W!!, k=6%, Ug1=4,5Veff, =>v=20,37
c) AL5 als Pseudotriode:
Ua=250V, Ia=40mA, Ra=3,5kOhm, Pamax.=2,1W!!, k=5%, Ug1=ca.12Veff, v=ca.7,64
Mit diesen Erkenntnissen möchte ich die Verwendung der AL4 anstelle der AD1 noch weniger als z.B. in Post 6 empfehlen. Allenfalls noch die AL5, deren Werte an Ra=3kOhm sicherlich ähnlich sein werden wie in der Einstellung nach c). Aber immerhin passt dann die Anodenverlustleistung, und die Verstärkung steigt auf nicht viel mehr als den doppelten Wert einer AD1-Stufe. Selbstverständlich müssen die Widerstände, die den Arbeitspunkt beeinflussen, angepasst und die höhere Heizleistung berücksichtigt werden.
Für diesen Post bedanken, weil hilfreich und/oder fachlich fundiert.
Frage an die Experten
Hallo Experten
wie waers denn damit
die brauchen keine AL2! Zur Not wenn noetig, vorne weg eine AF7.
Die ABC1 und AC2 sind als Triode identisch, das geht auch.
knoll
Für diesen Post bedanken, weil hilfreich und/oder fachlich fundiert.
Überschneidung
Hallo Herr Knoll,
schön, dass wir wieder von Ihnen etwas hören. Und schönen Dank für den Begriff "Experten", den ich aber, zumindest was meine Person angeht, lieber im Zusammenhang mit Ihnen verwenden möchte.
Unsere Posts hatten sich gerade überschnitten. Sobald Zeit ist, werde ich gerne Ihren Hinweisen nachgehen und mich wieder melden.
Gruss,
Andreas Steinmetz
Für diesen Post bedanken, weil hilfreich und/oder fachlich fundiert.
Hinweis
Hallo Herr Steinmetz.
Das Atribut kann ruhig bleiben wo ich es hinschob. Ich habe nicht im Sinn mich hier einzuschalten.
Weil wenn, muesste ich einen Text verfassen, was mir aber, fuer einen Einzelfall doch zuviel Arbeit waere. Ausserdem gilt. ein leader reicht.
Als Abschluss von mir noch ein.Literatur- Hinweis.
Viel Glueck, Knoll
Anlagen:
- Kammerloher (31 KB)
Für diesen Post bedanken, weil hilfreich und/oder fachlich fundiert.
Hallo Kollegen,
und Hallo Herr Knoll,
da haben Sie natürlich völlig recht !

Schon im Buch "Rundfunkröhren - Eigenschaften u. Anwendung" v. Ludwig Ratheiser, 1939, findet man ein Schaltungs-Beispiel mit einer AD1 und einer AC2 als Vorstufe, mehr braucht es nicht !
Aber hier haben wir eine frühzeitliche "Hi-End"- Schaltung, die unbedingt mehr Röhren als normal haben muss, verbunden mit einer höchst fragwürdigen Schaltungstechnik, (die sehr wahrscheinlich auch verbastelt wurde). Der "Vorteil" liegt hauptsächlich darin, dass man glaubt, dass dies besser wäre !
Zu den Messungen von Christian:
Durch die eindeutig unsinnige und falsche Katodenfolger- Schaltung der AC2 und der direkten Ankopplung an die AL2, wird diese auf eine Anodenspannung von 60 V im Arbeitspunkt heruntergezogen. Damit ist kein brauchbarer Betrieb mehr möglich, - auf keinen Fall, um eine AD1 anzusteuern !
Da ich jetzt weiß, dass die Schaltung mit fremd- Spannung gespeist wird, vereinfachen sich die weiteren notwendigen Messungen:
-
die End- Röhre AD1 / AL4 herausnehmen und den Verstärker mit Sinus ( ca. 1 kHz ) aussteuern, (z. B. über den PU- Eingang) und die maximale unverzerrte Spannung ( V-ss oder V-eff) am Punkt R1 / C12 ermitteln.
-
Dann die AC2 / AF7 entfernen und das Signal über R7 einspeisen und erneut ermitteln.
-
(Falls der Signal-Generator zu schwach ist, um gegen die 5k des R7 zu arbeiten, kann man R7 bis auf 500 k erhöhen.)
Wenn ich die beiden Spannungen kenne, beraten wir über das weitere Vorgehen.
Hobbygrüße, Jacob
Für diesen Post bedanken, weil hilfreich und/oder fachlich fundiert.
Eingangs- und Schirmgitter- Spannungen notieren
Hallo Christian:
bitte notieren Sie bei den Messungen unter 1. und 2. auch die jeweiligen Eingangs- Spannungen, sowie bei 2. auch die Schirmgitter- Spannung der AL2; danke !
Hobbygrüße, Jacob
Für diesen Post bedanken, weil hilfreich und/oder fachlich fundiert.
Am Wochenende...
Hallo Jacob,
Ich werde am Wochenende wieder weitermachen und diesen Test durchführen: ich bin leider wegen der Arbeit sehr beschäfftigt. Es geht nicht vorher,
Christian
Für diesen Post bedanken, weil hilfreich und/oder fachlich fundiert.
Messungen
Hallo Jacob ,Andreas und Rmorg Kollegen
Hier die gefragten Messungen (gegen Masse) mit Hochspannung 250V. Spitze-Spitze Sinus 1kHz
1) AL2 alleine:
Kein Signal: bei AL2 A = 74,4V S = 75,3V K = 5,27 V G = 1mV
Nicht verrzerter Signal: Eingang 4Vss, Ausgang 90Vss
Noch akzeptabler Sinus: Eingang 8Vss, Ausgang 150Vss, dabei bei AL2 A = 69V S = 92,1V K = 5,05 V G = 1mV
2) AF7 + AL2:
Kein Signal: bei AF7 A = 250V S = 67,7V K = 2,45 V G = 0V
bei AL2 A = 56,8V S = 67,7V K = 5,97 V G = 2,45V
Nicht verrzerter Signal: Eingang 3,1Vss, Ausgang 60Vss
Noch akzeptabler Sinus: Eingang 6Vss, Ausgang 100Vss, dabei
bei AF7 A = 250V S = 66,1V K = 2,37 V G = 0V
bei AL2 A = 63,1V S = 66,1V K = 5,82 V G = 2,37V
3) AC2 + AL2:
Nur um nochmal sicher sein, es könnte keine AC2 sein wie zuerst geschätzt!!!
Nicht verrzerter Signal: Eingang 0,3Vss!!!, Ausgang 3,7Vss!!! dabei
bei AC2 A = 250V K = 7,84 V G = 0V
bei AL2 A = 25V S = 49V K = 7,56 V G = 7,84V
Also ist wieder klar, AC2 ist zu vergessen!!!
Ich freue mich für die Analyse unserer Röhrenspezialisten,
Mit den allerbesten Grüssen aus Colmar,
Christian
Für diesen Post bedanken, weil hilfreich und/oder fachlich fundiert.
Hallo Christian,
nun habe ich es endlich geschafft, hier weiter zu kommen.
Ich behandele hier nur die Situation bei unverzerrtem Ausgangs-Signal. Ein gerade "noch akzeptabler Sinus" scheint also schon erkennbar deformiert zu sein, was normal für Vorstufen eigentlich unakzeptabel ist.
Zu AL2 alleine, unverzerrtes Ausgangs-Signal :
Ua= 74,4V; Uk= 5,27V; Uin= 4Vss; Uout= 90Vss;
Von der Ua= 74,4V muss man die Uk= 5,27V subtrahieren, das ergibt die wirksame Arbeitspunkt-Anodenspannung von Uap= 69,13V;
Bei Vollaussteuerung ergeben sich Abzüglich - 45Vs, ( ½ * 90Vss), das macht eine untere Anodenspannung von Ua-min = 24 V
Die AL2 wird also bei Vollaussteuerung bis auf 24 V heruntergezogen, das reicht gerade noch so !
Mit der Ausgangs- Spannung von 90Vss = 45Vs = 31,8V-eff kann sie gerade noch ganz knapp eine AD1 aussteuern, Reserven sind fast keine mehr da, denn der Eingangs-Spannungsbedarf der AD1 ist 30V-eff !
Die AL2 ist hier die einzige Stufe vor der AD1 mit Spannungsverstärkung !
Die Verstärkung der AL2 = 90Vss : 4Vss = 22,5-fach.
Den Eingangs-Spannungsbedarf der AL2 kann man mit 4Vss = 2Vs = 1,41V-eff schon als zu hoch anzusehen, um von der Detektorstufe gespeist zu werden. Es wäre also eine weitere Spannungsverstärkung zu empfehlen.
Dass die Katodenfolger- Eingangsstufe mit AC2 oder AF7 keine Spannungsverstärkung hat, wurde ja schon erwähnt.
Zu AF7 + AL2 zusammen, unverzerrtes Ausgangs-Signal :
Kein Signal: (AF7: Ua= 250V Ug2= 67,7V Uk= 2,45 V Ug1= 0V)
Bei AL2: Ua= 56,8V; Ug2= 67,7V; Uk= 5,97V; Ug1= 2,45V
Von der Ua= 56,8V muss man die Uk= 5,97V subtrahieren, das ergibt dann die wirksame Arbeitspunkt-Anodenspannung von Uap= 50,83V;
Hatten wir oben, bei der AL2 alleine, noch eine wirksame Anodenspannung von 69V, was schon sehr knapp ist, so sinkt sie hier auf knapp unter 51V ab ! Das ist bedingt durch positive Gitter-Vorspannung von 2,45V durch die AF7 !
Bei Vollaussteuerung ergeben sich dann noch Abzüglich -30Vs, das macht eine untere Anodenspannung von Ua-min = 20,83V
Daher kann sie nur noch ein unverzerrtes Ausgangs-Signal von 60Vss abgeben, das sind 30Vs = 21,2V-eff.
Damit kann man also keine AD1 mehr voll aussteuern !
So, wie die Schaltung aufgebaut ist, kann man mit der AL2 alleine gerade noch eine AD1 aussteuern, allerdings nur mit dem relativ hohen Eingangs-Spannungsbedarf von 4Vss = 1,41V-eff, aber zusammen mit der direkt gekoppelten AF7 ist dies nicht mehr möglich.
Das bedeutet, dass man in jedem Fall die direkte Ankopplung der Vorstufe zur AL2 entfernen muss. Da auch die Gesamtverstärkung zu gering ist, sollte man die Vorstufe auch auf eine normale Spannungsverstärker- Stufe umstellen.
Mit einer Pentode AF7 hätte man dann wohl eine viel zu hohe Verstärkung, eine AC2 wäre dann die bessere Wahl. Falls die Verstärkung dann immer noch zu hoch ist, könnte man die AL2 als Triode schalten, wie schon vorgeschlagen.
Damit die AL2 auch "mehr Luft zum atmen" bekommt, sollte man ihren Anodenspannungs-Arbeitspunkt von 69V höher legen auf 90...100V, durch Erhöhung des Katoden-Widerstands R4 von 600 z. B. auf 820 Ohm.
M. f. G. J. R.
Für diesen Post bedanken, weil hilfreich und/oder fachlich fundiert.
Hallo Jacob
Was kann man da noch dazu sagen? Ich muss zugeben, seit ich weiss dass die AF7 Stuffe Signal verringert und nicht verstärkt, bin ich ein bischen verzweifelt. Und trotzdem denke ich: viel am diesem Radionde scheint original ausser AL4 (war AD1) und die ABC1 Stuffe die verbastelt wurde.
OK, soweit sind wir gekommen. Sowieso habe ich noch Ihren Vorschlag den NF Verstärker auf Ihrem Schallplan "Radionde neu" neuzuverkabeln...
In der zwischen Zeit habe ich alle Röhren aufmontiert. Das Radio hat aber "Motorboating" oder so was. Wenn man den Finger auf Gitter der ersten AF3 setzt, geht es weg. Die Kondensatoren sind noch fast alle original in der HF Stuffe, aber viele sind schon getestet worden.
Das heisst, trotz allem ist auch die HF Stuffe ganz nahe zur Funktion. Ich werde sicher noch Fragen haben, aber soll ich ein neuer Forum öffnen oder einfach hier weitermachen?
Sowieso werde ich am Ende berrichten...
Bis jetzt habe ich eine gute Schlussfolgerung: wenn man den Schalltplan hat is alles viel einfacher!!!
Vielen Dank an Jacob und Andreas für die ganze Hilfe und die Zeit, die sie mir gewidmet haben.
Mit freundlischen Grüssen aus Colmar,
Christian
Für diesen Post bedanken, weil hilfreich und/oder fachlich fundiert.
Hallo Christian,
es erscheint so, dass man an dieser Schaltung einiges ändern muss, damit sie vernünftig funktioniert.
Wenn die Schaltung wirklich original war, kann ich mir dies nur so erklären:
der "Konstrukteur" hatte vielleicht damals etwas über die ersten Ideen über HiFi gelesen und beschloss, diese in diesem Gerät zu verwirklichen. Nur hat er den Sinn und Zweck der Details nicht verstanden, wobei dann dieser Unsinn herauskam, - also ein Fall für die damaligen "Fanatiques Audiophiles" .
Vielleicht hilft Ihnen mein Vorschlag "Radionde-neu" auf Post 8, den NF-Verstärker in einen brauchbaren Zustand zu bringen.
Dann muss die 3- Dioden- Schaltung mit der ABC1 wieder hergestellt werden, vielleicht verschwindet dann auch von selbst das "Motorboating". Vielleicht kann man auch dabei weiterhelfen,
viel Erfolg,
Hobbygrüße, Jacob
Für diesen Post bedanken, weil hilfreich und/oder fachlich fundiert.
? Die Story geht weiter...
Werte Kollegen
Die Story ist noch nicht am Ende:
In der Zwischenzeit habe ich die HF und ZF Stufen repariert. Was nicht mehr original war wissen wir:
a) die "vermutliche AD1" wurde durch AL4 (nicht optimal) ersetzt.
b) der Detektor war mit einer ... EBF2!!! (nur diode B angewandet). Hier war es offensichtlich ein "Ersatzt": die Fassung war ganz klar für eine ABC1 ohne Kathodenwiderstand, das heisst sicher eine 3 Dioden Lösung wie auf dem PHILIPS SUPER AACHEN wo man auch eine solche ABC1 findet:
http://www.radiomuseum.org/r/philips_aachen_d57_d_57.html
Also habe ich der Diode Detektor wieder auf Dreidiodenschaltung verkabelt...
c) Der Glimmindikator wurde ausgebaut und ausverkabelt. Hier ist die Lösung: er war kapput:
http://www.radiomuseum.org/forum/gjr320z_gjr320z.html
Also habe ich ihn wieder verkabelt und eine guten angewandet. Alles klappt... ohne einstellung bis jetzt...
Nach dieser Arbeit, einige Kondensatoren geändert, Wert von einigen Widerständen korrigiert, klappt das ganze Radio gut, ohne andere Mühe...
Aber kommen wir zum "esoterischen" NF Verstärker zurück. Ich habe eine AL5 als Triode genommen als Endstuffe. Die sollte zuviel Strom ziehen. Aber da ich keine neue hatte, habe ich eine 65% genommen. Strom in der Triode ist 48 mA als Triode, mit -14V am Gitter nach Einstellung. Da der ganze Stromverbrauch ein bischen nieder war (eine AD1 soll 60mA ziehen), habe ich den Netztrafo auf 250V geschaltet. Und so war die Hochspannung auf 250V IO.
Oben hatten wir gesehen dass die Verstärkung nicht gleich war mit der Frequenz. Der Fehler war: der Kondensator in Parallelschlatung mit der Kathodenwiderstand der AL2 ( 600 Ohms) war nich original, war ein 2µF und ich hatte ihn mit einem 2µF ersetzt. Nachdem ich ein 22µF eingesetzt habe kam alles ins Gleis.
OK, die Schaltung bleibt esoterish mit AF7 in Kathodenschaltung, aber jetzt klappt scheinbar alles. Die AL5 braucht keine 30 Veff am Gitter wie die AD1. Wie Herr ROSCHY sagt: da nur dir AL2 NF verstärkt, könnte es für eine AD1 nicht mehr reichen. Vielleicht wurde die erste Stuffe geändert als original Endröhre durch AL4 ersetzt wurde?
ABER ICH HABE NOCH EIN ZWEIFEL ÜBER DIE "original AD1":
- eine AL2 als Vorstufe einer nicht starkeren AD1 ist schon erstaunlich! Da hat eine AL5 mehr Sinn...
- der Lautsprechertrafo ist sehr gross und ist original. Es war keiner für Push Pull.
- ABER die original Endröhre war direktgeheitzt!!!
- und da noch ein Zeichen dass was nicht stimmt: siehe Foto oben
http://www.radiomuseum.org/forumdata/upload/L7%5FWEB%2EJPG
man sieht das die Fassung ausgebaut wurde (kein rot auf den Schrauben) und dass einfach die original Fadenkabelt nicht stimmen: sie wurde mit roten verlängert, ganz miserabel...
Aber eine B5 Fassung wurde hier ganz schön passen, ohne die roten Verlängerungen, mit den originalen Fadenkabeln!!!
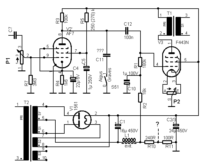
Also kam ich auf eine F443N als original Endröhre: diesmal stimmt alles:
- Fadenkabeln können wieder original verkabelt werden
- Röhre ist direckt geheitzt
- Bringt eine grössere Leistung als die AD1
- Die Lautsprecherimpedanz (gemessen 3k @1000Hz) passt :3,5k wenn Schirm und Anode 300V sind)
Was halten unsere Kollegen davon? Ich würde die F443N als Penthode einsetzen, oder soch ich als Triode verkabeln?
Mit freundlischen Grüssen,
Christian
Für diesen Post bedanken, weil hilfreich und/oder fachlich fundiert.
Mein Vorschlag
Hallo Christian,
es hat eine Weile gedauert, bis ich mich wieder diesem Projekt widmen konnte.
Ich glaube, Sie können mit Ihrer Vermutung richtig liegen !
Falls Sie eine solche F443N besitzen, ist der Aufwand ja nicht sehr hoch, einen Versuch zu wagen.
Über die F443N im Eintakt-A-Betrieb (neudeutsch: SE= Single End) finde ich nur Daten zum Betrieb an 300 V.
Dabei sind Ia= 83 mA, Ig2= 4,6 mA, Ug1= -40 V, Rk= 455 Ohm, Ra= 3,5k.
Falls sich diese Werte in etwa ergeben, war Ihre Vermutung richtig. Allerdings könnte die Schaltung auch auf 250 V ausgelegt sein, wofür wir aber keine Daten für die F443N haben.
Der Gitter-Widerstand R1 von nur 50 k vor der End-Röhre ist, wie auch andere Details, ebenfalls total "esoterisch". Die nachfolgende Röhre selbst braucht eigentlich keine Steuerleistung.
Für die F443N sind 300 k vorgeschrieben, für eine AL5 oder AD1 sind es sogar 700 k.
Weil man aber der Meinung war, je niederohmiger man diesen Widerstand wählt, müsste um so besser es sein - und wählte daher einen Widerstand mit nur 1/6 des Maximalwertes ! (Vielleicht ist dann der Klang "hörbar besser", wie man in diesen Kreisen immer behauptet)
Eine AF7 oder AC2 hätte jedoch diesen Gitter-Widerstand R1von nur 50 k nicht mehr ansteuern können. Ausschließlich nur aus diesem Grund wurde dann die AL2 als Vorstufe notwendig !
Wenn man also diesen esoterischen Unsinn entfernt, kann man ohne ein Problem die F443N mit einer AF7 ansteuern! Hier eine Endpentode AL2 zur Ansteuerung einer anderen Endpentode zu verwenden, passt wie die Faust auf's Auge, es wirkt einfach unprofessionell !
Wenn man der F443N einen Gitter-Widerstand R1 von nur 180 k anbietet, dann ist man immer noch sehr deutlich vom Maximalwert 300 k entfernt. Diese 180 k kann man nun "mühelos" mit einer AF7 ansteuern, die man mit einem Arbeits-Widerstand von 100 k betreibt.
Deshalb habe ich hier als Anhang eine Schaltung angefügt, wie ich es machen würde, in vernünftiger, aber immer noch großzügiger Dimensionierung der Bauteile. Man braucht also nur eine AF7 und die F443N .
Die Katodenfolger- Schaltung würde ich stilllegen, bzw. umgehen. Man kann hier eine defekte Röhre einsetzen als "Platzhalter", deren Heizung man abklemmt, bzw. deren Heizung defekt ist.
Vielleicht sind meine Vorschläge von Nutzen.
Hobbygrüße, Jacob
Anlagen:- Radionde mit F443N (6 KB)
Für diesen Post bedanken, weil hilfreich und/oder fachlich fundiert.
Mit F443N...
Hallo Jacob,
Schöner Zufall, heute habe ich die Fassung gewechselt, und die alten Kabeln passen ganz genau (siehe Foto). Also ist es sicher, Endröhre war eine F443N. Alles passt... und sieht besser aus...

Alles ist IO, braucht aber noch ein bischen "fine tuning" wie die Amis sagen... Aber ein Foto mit allen Röhren kann man schon zeigen. Die drei Röhre auf der rechte Seite sind ABC1, AL2 und F443N... Siehe unten...
Ich denke immer noch, die AL2 könnte original sein. Hier (schon erwähnt) :
http://frank.pocnet.net/sheets/145/a/AD1.pdf
empfehlt die PHILIPS Dokumentation eine AL2 als Triode als beste Vorstufe vor einem AD1 Push Pull...
Mit der erste Vostufe AF7 ist noch nichts ganz sicher (diese esoterische Kathodenschaltung !!!) aber in normaler Schaltung wäre die Verstärkung zu viel. Komischerweise, obwohl nur die AL2 verstärkt, reicht diese Verstärkung!
Wenn nicht original wäre eine AC2 sinnvoll, in normaler Triode Schaltung, wie es Sie empfolen haben in der erste "Radionde neu Schaltung" oben aber mit F443N statt AD5. Vorteil ist das die Spannung nicht mehr so hoch geht, mit der direkt geheisste F443N!
Eine Röhre lehr lassen , das kann ich einfach nicht! Aber technisch gesehen bin ich damit einverstanden ,dass eine AF7 reichen würde!
Ich muss mal die Zwischenstufen gut einstellen... es gibt noch ein bischen Verzerrung...
Mit freundlischen Grüssen aus Colmar mit dem singenden RADIONDE (Danke Rmorg)...
Christian
Anlagen:- Mit F443N (81 KB)
Für diesen Post bedanken, weil hilfreich und/oder fachlich fundiert.
AL2 als Vorstuffe... eine Erklärung?
Es ist hier schon viel diskutiert worden, warum eine AL2 als Vorstufe. Und die Antwort kamm da oben: weil den Gitterableitwiderstand der F443N einen niedrigen Wert von 50k hat.
Wie schon erwähnt, ist der Grenzwert für die F443N 300k ... aber bei automatischer Vorspannung. Siehe hier die PHILIPS Dokumentation:
http://frank.pocnet.net/sheets/005/f/F443N.pdf
und da steht auch, bei fester Vorspannung (wie es auf dem RADIONDE ist) ist 100k max. empfohlen. Also ist den Wert 50k nicht mehr so erstaunlich... Und für 100k oder sogar 50k Gitterableitwiderstand zu treiben reichen dann nicht mehr die AC2 und die AF7. Deswegen ist es eine AL2, die auch bei PHILIPS empfohlen ist (als Triode) als Vorstuffe mit Trafo für ein AD1 Push Pull...
Sind wir da richtig? Dann bleibt nur noch die AF7 Schaltung esoterisch ...
In der Zwischenzeit habe Ich die ZF eingestellet und alles is OK...
Schöne Grüsse aus Colmar, Christian ADAM
Für diesen Post bedanken, weil hilfreich und/oder fachlich fundiert.
Hallo Christian,
ich habe eigentlich nichts dagegen, eine AL2 als Vorstufen-Röhre zu verwenden. Mit "nur" 1 A Heizstrom liegt sie auch nicht höher als die Vorstufen-Röhren von der Generation zuvor, wie E446, E424, etc.
Sie schreiben richtig, dass der Gitterableitwiderstand für die F443N einen Grenzwert von 100 k bei fester Vorspannung hat. Das ist aber hier nicht der Fall. Bei dem RADIONDE wird die Vorspannung aus den für alle Röhren gemeinsamen Katoden-Widerständen R10 + R11 gewonnen. Da die F443N schon alleine 83 + 4,6 mA aufnimmt, kann man den Strom der anderen Vorstufen-Röhren fast vernachlässigen. Das gilt in jedem Fall als automatische Vorspannung !
Wenn man dann trotzdem noch einen Gitterableitwiderstand von 100 k wählen würde, den man als absolut sicher ansehen kann, dann würde eine AC2 oder AF7 mit Ra = 47...50 k völlig ausreichen.
Fazit: die Schaltung der AL2 mit Ra = 20 k und Gitterableitwiderstand 50 k der F443N ist absolut nicht notwendig, aber letztendlich auch nicht schädlich.
Dagegen stört mich ganz erheblich der äußerst schädliche Einfluss der AF7 im Eingang. Hier kommen wieder meine Erklärungen von Post 27 voll zur Anwendung, sie gelten hier immer noch.
Die F443N braucht 20 V-eff Steuerspannung, das sind fast 57 Vss oder 28,3 Vs.
Die AL2, die wegen der nachteiligen Anwesenheit der AF7 nur noch eine wirksame Anodenspannung 50,83V hat, muss also mit dieser geringen Spannung einen Spannungshub von 28,3 V nach jeder Seite machen, kommt also nach unten auf 22,5 V herab !
Das sind keine Arbeitsbedingungen, unter denen man eine Röhre betreibt ! Ich habe hier schon große Zweifel, ob die Röhre hier noch linear arbeitet oder schon deutlich in die Begrenzung kommt.
Unter diesen Bedingungen sehe ich diese Schaltung als stark fehlerhaft und würde sie so niemals betreiben.
Wie ist die Meinung der Kollegen dazu, d. h. besonders zu den in Post 27 genannten Aspekten, die hier unvermindert weiter gelten ?
Hobbygrüße,
Jacob
Für diesen Post bedanken, weil hilfreich und/oder fachlich fundiert.