Vergleich Detektor Audion ohne / mit Rückkopplung

7
ID: 334886
Vergleich Detektor Audion ohne / mit Rückkopplung 
23.Nov.13 21:51
143
7

Georg Beckmann (D)
Redakteur
Beiträge: 436
Anzahl Danke: 14
Georg Beckmann

Durch eine Simulation mit dem LTC - Spice habe ich versucht, die drei Empfängerprinzipien zu vergleichen.

In allen 3 Varianten ist der Empfangskreis der Gleiche, also gleiche Resonanzfrequenz ( 1Mhz ) und gleiche Güte Q = 32

Angesteuert wird der Schwingkreis in allen 3 Typen mit einer Stromquelle die die Trägerfrequenz mit einer Modulation von 3kHz und 80%

Der Sender fährt seine Frequenz einmal von 800 kHz bis 1,2Mhz in 10ms durch

Die drei Schaltungen sind nicht ausgeklügelt, aber der Trend wird sichtbar.

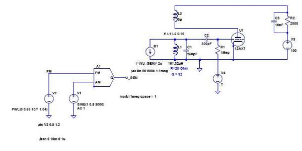
Zunächst der Detektor mit einer Germaniumdiode als Gleichrichter.

 

Dazu das NF Signal an C2

Bei 1mA Generatorstrom liefert der Detektor also ca. 70mVss Zum Vergleich bilden wir
Ua/Ie = 70, ( soll keinen tieferen Sinn als Widerstand haben, lediglich Vergleichszahl )

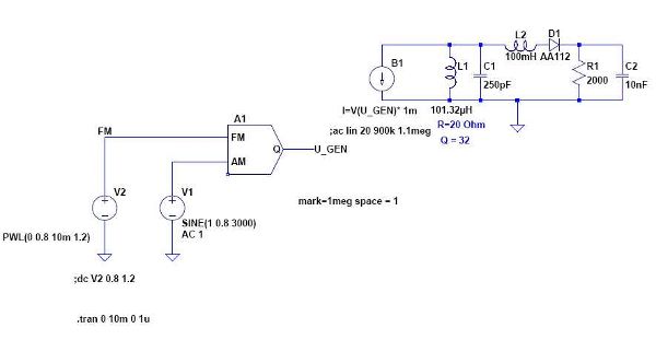
Die nächste Schaltung ist das Audion ohne Rückkopplung

Dazu das Signal über R2

Hier ist die Empfindlichkeit schon deutlich größer, der Generatorstrom musste auf 10uA verkleinert werden,
damit das Audion nicht übersteuert.
Die Ausgangsspannung ist hier 700mV bei 10uA Generatorstrom

Bildet man wieder den Quotienten erhält man 700mV/ 10uA = 70.000   (!) also 60dB zum Detektor.

 

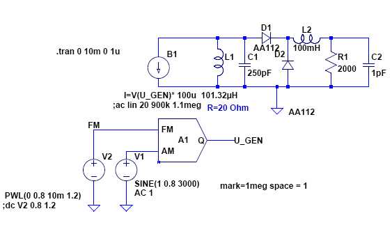
Schließlich die dritte Variante mit Rückkopplung

Hier wurde der Generatorstrom auf 2uA reduziert.

Die Frequenz wurde hier von 930kHz bis etwas über 1Mhz durchgefahren, man sieht, dass die Trennschärfe erhöht ist.

Die Ausgangsspannung ist hier 240mV bei 2uA Generatorstrom, der

Quotient also 240mV/ 2uA = 120.000 nochmals fast eine Verdopplung der Empfindlichkeit.

 

Falls sich jemand für die Simulationfiles für eigene Versuche interessiert, stelle ich diese gerne zur Verfügung.
Einfach E-mail schicken.

 

Georg Beckmann

 

Für diesen Post bedanken, weil hilfreich und/oder fachlich fundiert.

 2
Vergleich 
24.Nov.13 18:24
143 from 5163

Konrad Birkner † 12.08.2014 (D)
Beiträge: 2316
Anzahl Danke: 14
Konrad Birkner † 12.08.2014

schön, aber ist es nicht unfair beim Detektor der Diode einen Blindwiderstand vonca. j314 kOhm vorzuschalten und den armen Hörerersatzwiderstand auch nochmal mit j16 Ohm zu shunten?
Woher kommen diese 100 mH?

Soo schlecht ist kein Detektor!

Und beim Audion wird man die Rückkopplung höchstens bei einem starken Ortssender kaum so schwach anziehen. Ohne Klimmzüge sind mindestens 20 db zu gewinnen.

Simulation in Ehren, aber bitte etwas realistischer, denn gerade unser Nachwuchs sollte doch wirklichkeitsnäher informiert werden. Der Hinweis dass die Schaltungen nicht ausgeklügelt sind, reicht m.E. nicht aus, denn so weit sollte man sich nicht entfernen. Wenn ein Laie sich so etwas nachbaut, wird sein Interesse am Detektor schnell schwinden...

Nix für ungut!

Für diesen Post bedanken, weil hilfreich und/oder fachlich fundiert.

 3
Verbesserung 
24.Nov.13 20:51
186 from 5163

Georg Beckmann (D)
Redakteur
Beiträge: 436
Anzahl Danke: 13
Georg Beckmann

Hallo Herr Birkner,

also, Sie haben natürlich recht, deshalb hier die abgewandelte Schaltung mit deutlich besserem Ergebnis.

Die Drossel sollte den Schwingkreis HF seitig entkoppeln, der Kondensator über dem Höhrer die restliche HF glätten, damit das Bild schöner aussieht.

Folgend die Schaltung ohne diesen Schnickschnack.

 

Dazu das Signal an C2. Dieser Kondensator fehlt praktisch ( 1pF )

Nach der Rechnung von gestern:

600mV/100uA =6000 (!) 

Hier noch die Schaltung mit der Drossel, aber diesmal richtig gemacht:

Damit die Drossel Sinn macht, wird eine 2. Diode benötigt. Auch hier C2 nur zur Erinnerung ( 1pF )

 

Man sieht, dass die HF am Ausgang durch die Drossel weggefiltert ist. Durch die Drossel wird die Bedämpfung des Schwingkreises kleiner, dadurch wird die Trennschärfe erhöht.

330mV/100uA = 3300, der Wert ist jetzt etwas kleiner, aber immer noch viel besser als am Anfang.

 

Für diesen Post bedanken, weil hilfreich und/oder fachlich fundiert.

 4
Antrieb durch Strom- bzw. Spannungsquelle 
24.Nov.13 23:54
211 from 5163

Jochen Bauer (D)
Redakteur
Beiträge: 126
Anzahl Danke: 12
Jochen Bauer

Hallo Herr Beckmann

Sehr schöne Simulationen!

Ich hätte noch folgende Anregung: Wenn ich ihre Schaltbilder richtig deute, dann treiben sie den aus L1 und C1 bestehenden Schwingkreis mit einer parallel geschalteten Stromquelle an. In der Praxis, wenn der Schwingkreis an eine Antenne angekoppelt ist, wird man es vielleicht eher mit einem Antrieb durch eine Spannungsquelle in Serie mit L1 und C1 zu tun haben. Siehe folgendes Schema:


Die Spannungsquelle U0 modelliert dabei die von der Antenne in die Spule L induzierte Spannung. Kennt man nun die Antennenparameter und die Antennenkopplung, so kann man die Antriebsspannung U0 prinzipiell aus der Signalstärke des zu empfangenden Senders (in V/m elektrische Feldstärkenamplitude) berechnen und so in die Simulation einfließen lassen.

Besonders einfach ist die Situation, wenn die Induktivität im Schwingkreis direkt durch eine
Rahmenantenne realisiert wird, wie dies in vielen Detektor- und Audionschaltungen auch der Fall ist. Unter Ausnutzung der Beziehung von E- und B-Feld in ebenen elektromagnetischen Wellen kann die Antriebsspannung U0 folgendermaßen aus der Signalstärke des zu empfangenden Senders
berechnet werden:

Die Herleitung und eine weitere Diskussion dieser Formel findet sich z.B. hier

Für diesen Post bedanken, weil hilfreich und/oder fachlich fundiert.

 5
Simulationen 
25.Nov.13 09:16
247 from 5163

Konrad Birkner † 12.08.2014 (D)
Beiträge: 2316
Anzahl Danke: 14
Konrad Birkner † 12.08.2014

Hallo Herr Beckmann und Herr Bauer,

ja, so gefällt mir das schon besser!

Die Verwendung einer konstanten Spannung wäre evtl. noch eingängiger, weil noch praxisnäher. Die Ankopplung mit eingeprägtem Strom erscheint nicht so realistisch, das schadet aber nicht der Darstellung (zumal sie ja nicht falsch ist!).

Die ganz alten Geräte stimmten bekanntlich nur induktiv ab in Serie mit der Antennenkapazität, die bei den damaligen Hochantennen durchaus einige hundert pF ausmachte. Der Schwingkreis wurde außerhalb des Gerätes geschlossen.

Jedenfalls Ihnen beiden vielen Dank!
KoBi

Für diesen Post bedanken, weil hilfreich und/oder fachlich fundiert.

 6
Anpassung der Antenne 
25.Nov.13 22:31
350 from 5163

Georg Beckmann (D)
Redakteur
Beiträge: 436
Anzahl Danke: 14
Georg Beckmann

Hallo Herr Bauer,

über die reale Einspeisung des Antennensignals hatte ich mir noch keine Gedanken gemacht.
Die Stromquelle habe ich gewählt, weil diese den Parallelschwingkreis nicht beeinflusst.

Durch Ihre Anregung habe ich einmal rumgerechnet und bin auf folgenen Zusammenhang gekommen.
( Wahrscheinlich schon viele vor mir auch. :-))

Die Eingangsimpedanz des Parallelschwingkreises ist bei Resonanz:

Z = L/RC +1/(jwC).

Bei 20 Ohm Verlustwiderstand im Kreis also etwa 20,2kOhm.

Da das viel zu viel für eine Antenne ist, muss ein Übertrager her. Ich habe einmal geraten mit einer Impedanz von 300 Ohm.
Dazu die Bilder der Simulation.

 

 

Die grüne und die blaue Kurve sind die Leistungen am Generator- und am Verbraucher. Bei Resonanz sind sie gleich und am Verbraucher maximal. => Anpassung

Jetzt das Gleiche mit einem Anpassungstrafo und 300 Ohm Antennenwiderstand.

 

Auch hier sieht man wieder die Anpassung.

Herr Bauer, natürlich habe ich Ihren Bericht über die Antennen gelesen, ich wollte Sie schon dazu ansprechen.

Können Sie mir den Innenwiderstand und die Generatorspannung einer historischen Hochantenne, ( sagen wir 20m in 10 m Höhe zwischen zwei Häusern gespannt ) angeben.
Ich meinte, es stand irgendwo, finde es aber gerade am späten Abend nicht mehr.

 

Gruß

 

Georg Beckmann

 

Für diesen Post bedanken, weil hilfreich und/oder fachlich fundiert.

 7
L-Antenne 
27.Nov.13 00:27
437 from 5163

Jochen Bauer (D)
Redakteur
Beiträge: 126
Anzahl Danke: 15
Jochen Bauer

Hallo Herr Beckmann

In K.R. Sturley: Radio Receiver Design (JOHN WILEY & SONS, 1943) findet sich einiges zu diesem
Thema. Dort wird unter anderem die "inverted L-Antenna" beschrieben, die vom Aufbau her
folgendermaßen aussieht:

Die Gesamtabmessungen der Antenne sind dabei im Lang- und Mittelwellenbereich üblicherweise
wesentlich kleiner als die Wellenlänge der einfallenden elektromagnetischen Welle.

Beim Empfang von Langwellensendern und Sendern im unteren Mittelwellenbereich ist bekanntermaßen ausschließlich die Bodenwelle mit einem E-Feld Vektor senkrecht zur Erdoberfläche relevant. Der horizontale Abschnitt der L-Antenne "sammelt" daher keine Spannung auf, da er parallel zum E-Feld steht. Die Funktion des horizontalen Drahtes ist vielmehr die Erhöhung der Antennenkapazität gegen Erde (Dachkapazität), wodurch der vertikale Abschnitt eine höhere Spannung liefern kann.

Bei einem sehr langen horizontalen Abschnitt, d.h. hinreichend hoher Dachkapazität ist die
Generatorspannung am Fußpunkt der Antenne gegeben durch U=E*h, wobei E die elektrische Feldstärke (in V/m) der einfallenden vertikal polarisierten elektromagnetischen Welle (Bodenwelle!) und h die Länge (Höhe) des vertikalen Abschnitts ist.

Je kürzer der horizontale Abschnitt, desto geringer die Generatorspannung. Fehlt der horizontale
Abschnitt ganz, so liegt eine gewöhnlich vertikale Antenne vor, die eine Generatorspannung von
U=0.5*E*h liefert. Für eine L-Antenne mit gleich langen horizontalen und vertikalen Abschnitten
gibt Sturley einen Wert von U=0.6*E*h an.

Der Realteil (ohmscher Widerstand) der Fußpunktimpedanz dieser Antenne ist im wesentlichen durch
den Erdungswiderstand bestimmt, da der Strahlungswiderstand (wegen der kleinen Abmessungen
gegenüber der Wellenlänge) und der Drahtwiderstand der Antenne relativ klein sind. Beispielrechnungen dazu finden sich in dem besagten Artikel über Lang- und Mittelwellenantennen. Für den Erdungswiderstand ist die Art der Erdung und die Leitfähigkeit des Erdreichs maßgebend. Eine Reihe von semi-empirischen Formeln dazu findet sich im Military Handbook 419A: Grounding Bonding and Shielding for Electronic Equipments and Facilities (1987). Im oben erwähnten Artikel habe ich einige Beispielrechnungen für einen Kupferstab mit einem Durchmesser von 3cm, der 1m tief im Erdreich eingegraben ist angestellt. Die Ergebnisse reichen von ca. 70 Ohm für feuchte Erde bis 700 Ohm für trockene Erde, d.h. ein Widerstand von 300 Ohm ist sicherlich für ein realistisches Beispiel tauglich.

Der Blindwiderstand der Fußpunktimpedanz dieser Antenne ist aufgrund der kleinen Abmessungen
gegenüber der Wellenlänge im wesentlichen kapazitiv, d.h. die Antenne kann durch einen
Spannungsgenerator in Serie mit einem Kondensator und dem obigen Ohmschen Widerstand modelliert werden. Sturley zeigt in seinem Buch, dass die Kapazität der L-Antenne näherungsweise gleich der Kapazität einer Vertikalantenne in der Gesamtlänge der L-Antenne (horizontaler+vertikaler 
Draht) ist. Für eine 10m+10m L-Antenne mit einem 1mm dicken Draht wären das dann mit der von
Sturley angegebenen Formel ca. 125pF

Zusammenfassung: Eine 10m+10m L-Antenne mit 1mm Drahtstärke mit einem 3cm dicken und 1m langen Kupferstab als Erdanschluß in "mitteltrockener" Erde lässt sich näherungsweise modellieren als Spannungsgenerator mit U=6*E in Serie mit R=300 Ohm und C=125pF.

 

Gruß

Jochen Bauer

 

Für diesen Post bedanken, weil hilfreich und/oder fachlich fundiert.

 8
Antennenkapazität 
27.Nov.13 10:07
468 from 5163

Konrad Birkner † 12.08.2014 (D)
Beiträge: 2316
Anzahl Danke: 14
Konrad Birkner † 12.08.2014

Danke Herr Bauer,

aber Ihre Antenne wäre mir viel zu bescheiden, denn 125 pF sind aber nicht immer ausreichend, um mit der jeweiligen Induktivität im MW-Bereich zu liegen. So kleine Antennen waren inde 1920er Jahren höchstens ein Notbehelf

-  Goltone Super : max. 290 µH. Das reicht nicht einmal bis 800 kHz herunter.
Man bräuchte ca 290 pF.

-  Ericsson 0/1002 mit 750µH kommt mit 125 pF gerade aus.

- der Langwellendetektor TMC 9 (nur LW !) mit 3,37 mH kommt gerade mal bis etwa 250 kHz, was aber ausreichte, um erst Chelmsford, dann Daventry 5XX auf 1600 m (187,5 kHz) zu empfangen. 200 pF wären das Minimum.

Eigene einfache Kapazitätsmessungen an zwei Antennen ( einmal L und einmal Doppel-T) ergaben Werte von etwa 250 und 350 pF.

Leider weiß ich die Abmessungen nicht mehr. Die L-Antenne gibt es seit 20 Jahren nicht mehr und die Doppel-T seit mehr als 40 Jahren.

Gemessen wurde seinerzeit mit R&S KARU, das mit Resonanz arbeitet und somit der Empfangspraxis nahe kommt.

Was in der Praxis dazu kommt ist die Kapazität der Ableitung und Mauer-bzw. Fensterdurchführung, des Blitzschutzautomaten, des Erdungsschalters und des Verbindungskabels zum Empfänger. Je nach baulichen Gegebenheiten kann das eine erhebliche Summe ergeben.

In England setzte man für eine Hochantenne 100 ft = 30 m Länge an, wobei meist vom Kamin aus gespannt wurde. Höhe über Grund bei einem der üblichen Reihenhäuser vielleicht 20 bis 30 ft (6 bis 9 m).

Krüger (Die Selbstanfertigung von Radio-Apparaten, 4.Auflage, p.103) berichtet von eigenen Empfangsversuchen an einer L-Antenne von 24 m Länge und 7 m Höhe.

Günther&Fuchs (der praktische Radioamateur, 5.u.6.Auflage 1924, p.234 ff.):
"In der Schweiz darf eine eindrähtige Amateurantenne einschließlich der Zuführung
nicht länger als 70 m sein. Für die Zuführung... 15-20 m... so dass für die Antenne 50-55 m übrigbleiben."
In Deutschland ist die erlaubte Länge noch nicht bekannt. ...unter 30 m sollte man  bei eindrähtigen A. nicht gehen. Abb.198 zeigt beispielhaft 30 - 50 m (ohne die Ableitung !) in 10 m Höhe.

Dies bitte nicht als Kritik aufzufassen. Es kommt mir nur darauf an, realistische Information zu geben, jenseits Ihrer tollen Ausführungen, für die ich nochmals Danke sage.
 

 

9

Für diesen Post bedanken, weil hilfreich und/oder fachlich fundiert.

 9
Antennenkapazität 
27.Nov.13 11:59
495 from 5163

Jochen Bauer (D)
Redakteur
Beiträge: 126
Anzahl Danke: 10
Jochen Bauer

Hallo Herr Birkner

Vielen Dank für ihre praktischen Beispiele.

Ich nehme an, bei den von ihnen erwähnten Detektor-Empfängern wird die Kapazität des Schwingkreises vollständig durch die Antennenkapazität realisiert und mit einer variablen Spule abgestimmt. In diesem Fall haben sie mit ihren Anmerkungen zur Antennenlänge und Antennenkapazität natürlich völlig recht.

Wenn ich aber Herrn Beckmann Schaltung aus Post #6 richtig lese, dann wird dort die Antenne sehr fest (Kopplungsfaktor k=0.99) an einen Schwingkreis mit einem vorhandenen Kondensator C1=250pF angekoppelt. D.h. die Antennenkapazität kommt unter Beachtung des Übersetzungsverhältnisses noch zu dieser Kapazität hinzu. Insofern sollte die Kapazität der Antenne hier nicht zu groß sein.

Natürlich kann man sich jetzt darüber streiten, ob die in Post #6 angegebene und simulierte Schaltung für einen Detektor realistisch ist. Aber das führt dann vielleicht zu weit weg vom ursprünglichen Thema. Es ging Herrn Beckmann ja darum, die prinzipielle Auswirkung der (positiven) Rückkopplung auf einen Empfangskreis zu zeigen. Und das eben bei Verwendung von realen, nicht-linearen Bauteilen (Diode, Röhre). Hier müssen sie im Gegensatz zu idealisierten linearen Bauteilen, bei denen sie die Auswirkungen der Rückkopplung sehr schön analytisch zeigen können, eben auf numerische Methoden bzw. Simulationen zurückgreifen.

Vielleicht hätte die Simulation von realistischen und historisch existierenden Detektorempfängern an ebenso realistischen und historisch existierenden Antennen einen eigenen Thread verdient(?)

Es wäre auf jeden Fall mal sehr interessant zu sehen wie groß die Feldstärken damals sein mussten, damit man mit den damaligen Geräten noch was hören konnte.

 

Gruß

Jochen Bauer

Für diesen Post bedanken, weil hilfreich und/oder fachlich fundiert.

 10
Antennenkapazität 
27.Nov.13 19:12
534 from 5163

Konrad Birkner † 12.08.2014 (D)
Beiträge: 2316
Anzahl Danke: 13
Konrad Birkner † 12.08.2014

Danke, Herr Bauer.

Ich habe weder an Ihren noch an Herrn Beckmannsn Ausführungen etwas auszusetzen. Im Gegenteil.
Mein Beitrag soll nur Information bieten, die weithin in Vergessenheit geraten ist.

Viele Detektorbesitzer haben keine Ahnung, wie ihr Schiebespulendetektor tatsächlich funktionieren würde.

Die allermeisten Detektoren aus der Frühzeit verwenden reine L-Abstimmung. Sei es mit Schleifer oder über Abgriffe oder mit Variometer. Drehkos waren teuer. Ausserdem kann man einen Parallelkreis nicht mit einer Antenne zusätzlich parallel belasten, die das ganze nicht nur stark verstimmt, sondern auch bedämpft. Anpassung/Anzapfungen waren noch kaum bekannt bzw. verwendet worden.

Ich werde mal meine Detektoren mit L-Abstimmung ausmessen.

Gruß,
KoBi

Für diesen Post bedanken, weil hilfreich und/oder fachlich fundiert.

 11
Erläuterungen 
01.Dec.13 11:22
674 from 5163

Georg Beckmann (D)
Redakteur
Beiträge: 436
Anzahl Danke: 14
Georg Beckmann

Hallo,

 

es kam berechtigte Kritik auf, ich möge die Kurven besser erläutern.

Auf der  X -Achse ist eine Spannung aufgetragen von 0,8... 1,2V. Das ist aber in Wahrheit die Frequenz von 800kHz .. 1,2Mhz  ( 1V entspr. 1 Mhz )

Im Simulator wurde die Frequenz von 800kHz auf 1,2Mhz in 10mS durchgestimmt. Deshalb auch die Sinusförmigen Einbrüche, die von der NF Modulation kommen.

Wenn man in 100mS durchstimmt, sind die Linien entsprechend dicht.

 

Da der Simulator für diese Kurve 1/2 Stunde rechnet, habe ich immer mit 10ms simuliert.
Zum Vergleich noch die Kurve ohne Modulation:

Die Verdickung der Kurve kommt von HF - Resten im gleichgerichteten Signal.

Grüße

Georg Beckmann

 

Für diesen Post bedanken, weil hilfreich und/oder fachlich fundiert.