wertini: 104; El Superheterodino Misterioso (Parte 2)
wertini: 104; El Superheterodino Misterioso (Parte 2)
Ante todo, disculpas por la demora en publicar esta segunda parte pero como saben el tiempo es un bien escaso sobre todo en esta parte del año. A continuación les describo la segunda parte del proceso de restauración:
Como el ave Fénix

Esa misteriosa FI
Es muy complicado ajustar una radio de la cual se desconoce la frecuencia intermedia, ya que un paso común y casi obligatorio es inyectar la FI modulada en la placa de la conversora (u osciladora-mezcladora en este caso) para ajustar el segundo transformador de FI. Yo por supuesto no tenía este dato, pero suponía por la edad de la radio que debería andar en los 175Khz, que era un valor común en esa época. Sin embargo para asegurarme hice lo siguiente:
Desmonté el segundo transformador de FI y lo abrí, desconectando la bobina del secundario de su trimmer y después con el medidor de inductancia, obtuve una lectura de 218 uH. Con el medidor de capacitancias, medí el trimmer completamente abierto y completamente cerrado, lo cual me dio un rango de entre 80 y 200 pf. Con estos datos, la frecuencia de resonancia se sitúa entre 160 y 220 Khz, asi que yo asumí que el valor de 175Khz era el correcto.

It's alive!
La maldición de las 34 vueltas ataca de nuevo
Esa molesta distorsión
Un problema que tuve desde el principio fue el audio distorsionado, no entendía bien que pasaba, sabía que no era el parlante ni las etapas de audio porque el tono del generador de señales se escuchaba muy limpio, pensé si esta distorsión no provenía de las etapas de RF y cambie algunos componentes, desacople algunas resistencias pero nada… todo seguía igual, una distorsión inaceptable en algunas emisoras y bastante molesta en otras. Este era el único problema serio que me quedaba por resolver, la radio obviamente no se distinguía por la sensibilidad pero hay que considerar la edad y probablemente la calidad del juego de bobinas. Además el circuito en si adolecía de varios problemas en su época, y este es el motivo de que hayan surgido tantos adelantos en la etapa conversora en los años siguientes.
La manía de modular profundo
Me acordé que yo tengo algunas regenerativas de una y dos válvulas que tienen ese mismo problema de distorsión, pero en mucha menor medida. Hablando con los amigos de RMorg encontramos el problema. Para los que quieran leerlo aquí esta el post original (en inglés):
Modulation Depth of Today's Broadcast Band
El famoso factor "K" (sin alusiones a la política argentina)
El método de detección por "característica de placa" es uno de los tres métodos que se ven comúnmente en radios AM, los otros dos son: detección por característica de grilla o simplemente "detección por grilla" que es el usado en las regenerativas antiguas, y detección por diodo que es el mas popular en las radios que nosotros restauramos.
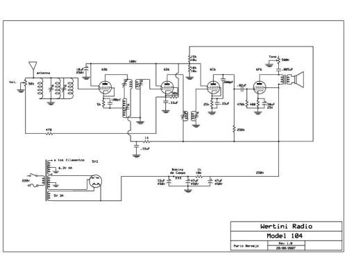
La detección por placa funciona de la siguiente manera: (puede saltearse esta parte si lo aburren las explicaciones técnicas) La válvula se trabaja con un potencial de polarización elevado, "empujándola" hacia la clase B. En esta clase, la válvula sólo conduce durante parte del ciclo de la señal de entrada. Si se mira el esquema, se ve que la 6C6 tiene una resistencia de cátodo de 25K con lo cual, dada una corriente total de 10mA (corriente de placa más la corriente de pantalla) tenemos una tensión de polarización de 250V! Esto parece ridículo pero no lo es porque recordemos que queremos que la válvula se mantenga al "corte" es decir, la grilla tan negativa que no circula corriente, excepto cuando la señal de entrada alcanza picos, y estos picos contienen la modulación de audio y aparecen amplificados en la placa, mientras que el resto de la onda no puede pasar porque la válvula no esta conduciendo.
Este método presenta el problema de que la grilla puede hacerse positiva en algunos instantes, y ello implica que la grilla va a tomar corriente. Cuando eso ocurre esta corriente retorna a masa a través del secundario del transformador de FI, llevando consigo parte de la información de audio que estaba impresa en la señal original. Como parte de la información se ha perdido, la salida es una onda que no es exactamente igual a la de entrada, y por lo tanto tiene una distorsión medible que se conoce como factor K. El hecho de que la característica de placa no es completamente lineal es responsable de otro tanto de la distorsión.
La profundidad de modulación.
En el pasado, la portadora emitida por la emisora contenía un nivel de modulación que no pasaba del 50% y esto debido a limitaciones técnicas de la época. Ello significa que solo el 30 al 50% de la energía transmitida contenía información de audio y el resto era desperdiciado.
Modernamente se usa una modulación del 95%, lo cual permite aprovechar mucho mejor la energía irradiada por la antena, y reducir la potencia de las plantas transmisoras.
Pero hay un problema.
Las radios con sistema de detección por placa o grilla solo aceptan señales con que contengan 60 o 70% de modulación como máximo, por encima de ese nivel la distorsión se vuelve inaceptable. Eso es lo que le estaba pasando a la pobrecita Wertini! Y yo que casi la tiro por la ventana! Tengo varias radios con este problema y por eso me alegró encontrar al fin una explicación, pero la teoría había que demostrarla…
75 al rescate!
Yo nunca modifico una radio y prefiero siempre mantener la originalidad, pero en esta radio quedaba muy poco original y después de tanto trabajo, yo quería que la radio tuviera una calidad de audio por lo menos aceptable. Jeffrey Angus me sugirió usar un diodo de germanio para hacer la detección pero yo quería intentar hacerlo con válvulas. Se me ocurrió entonces convertir la etapa detectora usando una válvula 75 que es un doble diodo-triodo y la elegí porque tiene el mismo régimen de filamento y el mismo zócalo que la 6C6, con lo cual no había mucho para cambiar.
Aleluya!
Después de hacer esta modificación, la distorsión desapareció completamente, la calidad de audio mejoró enormemente y el único problema es que el factor de amplificación de este triodo (100) es menor del que se puede obtener con un pentodo, con lo cual el volumen se redujo en algo. En este momento estoy probando la recomendación de Jeffrey que consiste en mantener la 6C6 como amplificadora de audio (cambiando la polarización) y agregar un diodo para hacer la detección.

El misterio de la FI se mantiene
Como dije anteriormente, yo había calculado empíricamente el valor de la FI y había asumido que era 175Khz pero al ajustar la radio, no había manera de obtener buena salida usando esta FI, al final después de mucho probar, descubrí que la radio "se siente cómoda" con una FI de 190Khz asi que hasta el día de la fecha no tengo claro cual es el valor correcto, solo se que la máxima ganancia se produce con 190Khz.
El Chasis y la odiosa pintura de cromo
El chasis de la radio estaba originalmente pintado con una pintura de base de cromo y, vaya a saberse cuando, alguien lo había repintado con pintura metalizada. Yo había lavado el chasis antes de comenzar la reconstrucción, pero la pintura se seguía cayendo en escamas por lo cual decidí repintarlo. Ahora que la radio funcionaba me podía dedicar a la parte "cosmética"
Para hacer esto, desmonté la radio parcialmente, cubriendo después los agujeros con cinta de enmascarar y pinté el chasis con dos manos de pintura martillada "Hamertone" Esta pintura difiere del acabado original pero queda bien, no se quema al soldar del otro lado y es muy resistente. La parte de abajo del chasis no la pinté porque yo la había lijado antes de empezar a re-armar y no se veía mal ni estaba suelta. Esta foto muestra el chassis ya repintado y con algunos componentes ya vueltos a montar:
También pinté el transformador de poder, que tenía mucho óxido y después volví a montar la radio mejorando el cableado y la ubicación de los componentes.

Mientras la estaba rearmando, aproveché para desarmar el segundo transformador de FI y sacar el cable de la grilla del triodo hacia arriba, ya que en el circuito original la salida del transformador de FI conecta con la grilla del pentodo, pero en la versión modificada esa salida va a los diodos, que están en la base de la válvula, y la grilla se conecta desde el potenciómetro de volumen. Además desarme la primer bobina y agregué un capacitor de mica plata de 220pf, con lo cual pude remover el trimmer.

Terminado!
Esta foto muestra el chasis terminado con la válvula 75 mientras se realizaba la operación indicada más arriba:
Debo confesar que no es una gran radio, no tiene una gran sensibilidad aunque es bastante selectiva. El problema de la frecuencia imagen, común en radios con FI baja, se nota al aproximarse al centro del dial, con una estación que esta fuertemente interferida pero aparte de eso funciona bastante bien considerando el circuito y la antigüedad del bobinado.
Aquí va una foto del chassis terminado y ya tiene colocado un dial redondo que despues les contaré como y porqué decidí usarlo:

En la parte III mostraré la restauración del gabinete (todavía en proceso) y del dial.
Adios y gracias a todos como siempre
Mario
Agradézcalo al autor si Vd. encontró ayuda con la respuesta.
Trabalho muito, muito bom, Mário. Que grande paciência tens!
Espero para ver o restauro da caixa!
Saludos!
Agradézcalo al autor si Vd. encontró ayuda con la respuesta.