Regent 10 ECL86
Böhm KG; Klingenthal (Ostd.)
- País
- Alemania
- Fabricante / Marca
- Böhm KG; Klingenthal (Ostd.)
- Año
- 1963 ??
- Categoría
- Amplificador de audio o mezclador
- Radiomuseum.org ID
- 171230
Haga clic en la miniatura esquemática para solicitarlo como documento gratuito.
- Numero de valvulas
- 4
- Principio principal
- Amplificador de Audio
- Gama de ondas
- - no hay
- Especialidades
- Guitar Amplifier
- Tensión de funcionamiento
- Red: Corriente alterna (CA, Inglés = AC) / 127; 220 Volt
- Altavoz
- Altavoz dinámico (de imán permanente) / Ø 25.5 cm = 10 inch
- Potencia de salida
- 8 W (unknown quality)
- Material
- Metálico
- de Radiomuseum.org
- Modelo: Regent 10 [ECL86] - Böhm KG; Klingenthal Ostd.
- Forma
- Consola en general
- Anotaciones
-
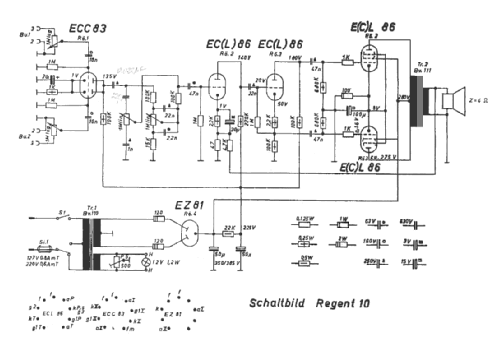
Instrumentalverstärker mit eingebautem Lautsprecher L 2155 PB und
zwei getrennt regelbaren Eingängen (Klinkenbuchse).
Eingangsempfindlichkeit: je 30 mV
Eingangsimpedanz: 1 MOhm
Übertragungsbereich: 20 Hz ... 20 kHz (± 3 dB)
Ausgangsleistung: max. 8 W
Klirrfaktor: max. 4%
Gesamtklangregelung:
- Tiefen (50 Hz) +12 ... -14 dB
- Höhen (10 kHz) +12 ... -14 dB
Fremdspannungsabstand 54 dB.
- Documentación / Esquemas (1)
- -- Schematic
- Autor
- Modelo creado por Frithjof Grassmann. Ver en "Modificar Ficha" los participantes posteriores.
- Otros modelos
-
Donde encontrará 10 modelos, 8 con imágenes y 9 con esquemas.
Ir al listado general de Böhm KG; Klingenthal (Ostd.)
Colecciones
El modelo Regent es parte de las colecciones de los siguientes miembros.
Contribuciones en el Foro acerca de este modelo: Böhm KG; Klingenthal: Regent 10
Hilos: 1 | Mensajes: 1
It's likely the circuit is very similar to the EL84 version Regent 10.
Each ECL86 will replace an EL84 and 1/2 an ECC83. However that still leaves one ECC83 unaccounted for unless someone has miscounted. The Beam Tetrode output part of ECL86 may about 1.5V less volts grid bias (voltage on cathode resistor) for class A than EL84, but the difference may be less in Class B. The output power is similar. The triode circuits should be similar.
Michael Watterson, 07.Aug.13