Orljonok (Orlionok) - Орлёнок (Орленок)
Sarapoul Orjonikidze Radio Works
- Fabricante / Marca
- Sarapoul Orjonikidze Radio Works
- Año
- 1966
- Categoría
- Radio - o Sintonizador pasado WW2
- Radiomuseum.org ID
- 75741
Haga clic en la miniatura esquemática para solicitarlo como documento gratuito.
- Numero de transistores
- 7
- Semiconductores
- Principio principal
- Superheterodino en general; ZF/IF 465 kHz
- Número de circuitos sintonía
- 5 Circuíto(s) AM
- Gama de ondas
- OM y OL
- Tensión de funcionamiento
- Bateria recargable / 2x1,25 Volt
- Altavoz
- Altavoz dinámico (de imán permanente) / Ø 5 cm = 2 inch
- Potencia de salida
- 0.04 W (unknown quality)
- Material
- Plástico moderno (Nunca bakelita o catalina)
- de Radiomuseum.org
- Modelo: Orljonok - Орлёнок - Sarapoul Orjonikidze Radio
- Forma
- Portátil de bolsillo , menor de 20cm.
- Ancho, altura, profundidad
- 78 x 52 x 25 mm / 3.1 x 2 x 1 inch
- Anotaciones
- Der Orljonok ist ein kleiner Taschenempfänger. Zum Lieferumfang gehört ein kleines Ladegerät für die Knopfakkus. Das Gerät wurde auch in der DDR verkauft.
- Peso neto
- 0.2 kg / 0 lb 7 oz (0.441 lb)
- Precio durante el primer año
- 120.00 DM
- Procedencia de los datos
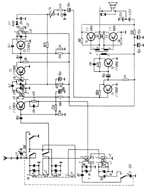
- -- Schematic
- Documentación / Esquemas (1)
- Radio es Televizio Vevö keszülekek 1972-75 (Zeitschrift RFE 1970 Heft 2 Seite 65)
- Autor
- Modelo creado por Iven Müller. Ver en "Modificar Ficha" los participantes posteriores.
- Otros modelos
-
Donde encontrará 38 modelos, 37 con imágenes y 27 con esquemas.
Ir al listado general de Sarapoul Orjonikidze Radio Works
Colecciones
El modelo Orljonok (Orlionok) - Орлёнок (Орленок) es parte de las colecciones de los siguientes miembros.
Contribuciones en el Foro acerca de este modelo: Sarapoul Orjonikidze: Orljonok - Орлёнок
Hilos: 3 | Mensajes: 3
On one of my radio the sound was changing higher or lower when the set was on it's face or on it's back.Finally I found that the problem was in the firts IF transformer.The cause: a free part of ferroxcube inside.Happily I have 3 Orljonocs for parts,after replacement of the first IF the radio work properly.
The link show this radio working on LW and MW with it's original batteries (1967!)
I have 2 pairs of batteries I have regenerated by charges and discharges.On the original charging block I have replaced the caps and it do a very good job with the batteries.
Note: I have 5 Orljonocs (2 in working order),all five have no output transformer (only driver)
Olivier Palix, 17.Dec.13
Olivier is right.
Apparently there were at least two different builds of this radio model.
One build uses the Push-Pull stage with an output transformer; the other build uses a quasi-symmetrical push-pull output stage built around two GT108V Russian PNP Germanium transistors driven by a transformer.
I have this output transformerless radio build and I have drawn the schematics for the output stage (published here). The remaining circuit is very similar to the other build.
Jose Mesquita, 18.Jun.13
I have 4 Orljonoks,2 are in working order,the 2 others are out of order.On the black one the LW osc. coil was cut,I have succeeded to dismantle the coil and sold the tiny wire,then the radio work well on LW and MW. The schematic on the museum show 2 audio transformers,or on my 4 receivers there no output transformer,only a driver.The speaker is directly relied to the output transistors,and they are polarized by a lead betwen the two batteries cell (at 1,25V).I look for the scheme of this model of Orljonok.I have 2 working accus (dated 1967!),all others accus I have are out of order,it is miraculous that batteries can work after 50 years.The sound of my 2 Orljonok is clear and powerfull for a so little radio.On the leather case of one of them there is a name: VOLNA.
Olivier
Olivier Palix, 18.Sep.10