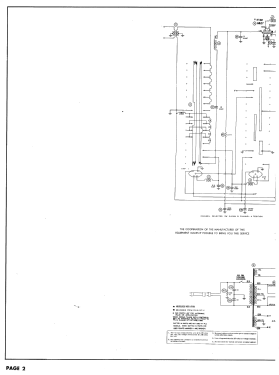
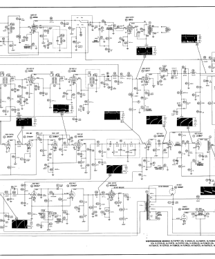
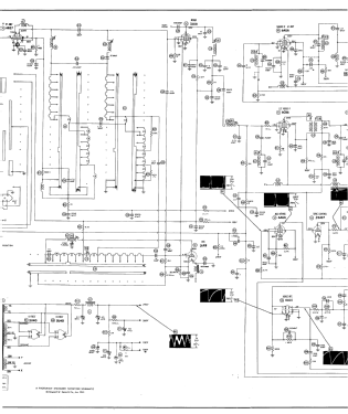
H-750T21 Ch- V-2233-3
Westinghouse El. & Mfg. Co. - see also Canadian W.
- Produttore / Marca
- Westinghouse El. & Mfg. Co. - see also Canadian W.
- Anno
- 1953 ?
- Categoria
- Televisore (TV) / Monitor
- Radiomuseum.org ID
- 217854
-
- alternative name: Westinghouse El. Int.
Clicca sulla miniatura dello schema per richiederlo come documento gratuito.
- Numero di tubi
- 22
- Valvole
- 6BQ7 or 6BZ7 6X8 6CB6 6CB6 6CB6 12BY7 6AU6 6BN6 6BK5 6AU6 12BH7 12AT7 6AU6 6SN7GT 6AL5 12AU7 6BQ6GT 6AX4GT 1B3GT 5U4G 5U4G 21FP4A
- Principio generale
- Supereterodina con stadio RF
- Gamme d'onda
- VHF/UHF (ved. i dettagli nelle note)
- Tensioni di funzionamento
- Alimentazione a corrente alternata (CA) / 60 Hz, 117V = 110 -120 Volt
- Altoparlante
- AP magnetodinamico (magnete permanente e bobina mobile) / Ø 5.25 inch = 13.3 cm
- Potenza d'uscita
- 1.8 W (qualità ignota)
- Materiali
- Mobile in legno
- Radiomuseum.org
- Modello: H-750T21 Ch- V-2233-3 - Westinghouse El. & Mfg. Co. -
- Forma
- Soprammobile verticale (sviluppato in altezza; no cattedrale, sin decorazioni).
- Annotazioni
-
The Westinghouse H-750T21 is a 21" b/w TV with US standard VHF tuner channels 2 thru 13. Equipped with chassis V-2233-3 and picture tube 21FP4A. For service information on this model, refer to Westinghouse model H-740T21 service notes and supplementary information. Most information given for the V-2233-1 chassis applies to the V-2233-3 chassis except that the V-2233-3 chassis contains a V-11485-1 RF tuner that has no provisions for the use of UHF sockets (Schematic of V-11485-1 tuner appears in Supplement #1 of model H-706T16). The chassis also does not include phono operation provisions or tone control. Locations of various controls are also different.
- Letteratura / Schemi (1)
- - - Manufacturers Literature (Westinghouse Datasheets RM3333 RM3350 RM3341 RM3357 RM3399)
- Letteratura / Schemi (4)
- Photofact Folder, Howard W. SAMS (Set 212, folder 9, dated 8-53)
- Autore
- Modello inviato da John Kusching. Utilizzare "Proponi modifica" per inviare ulteriori dati.
- Altri modelli
-
In questo link sono elencati 3155 modelli, di cui 1761 con immagini e 2671 con schemi.
Elenco delle radio e altri apparecchi della Westinghouse El. & Mfg. Co. - see also Canadian W.